ROHM Semiconductor Carte de référence RB-D62Q1714TB52
La carte de référence RB-D62Q1714TB52 de ROHM Semiconductor, alimentée par le microcontrôleur (MCU) CMOS RISC 16 bits LAPIS ML62Q1714, est une plateforme polyvalente et économe en énergie conçue pour une large gamme d'applications intégrées. Dotée d'une architecture RISC 16 bits faible puissance, cette carte de référence est idéale pour lesdispositifs compacts alimentés par batterie qui nécessitent une fiabilité et une performance élevées. Le microcontrôleur (MCU) ML62Q1714 intègre des périphériques clés tels que CAN, UART, SPI et2C, offrant une flexibilité pour l'interface avec des capteurs, des actionneurs et des modules de communication.La carte RB-D62Q1714TB52 de ROHM Semiconductor convient tout particulièrement aux applications dans la domotique,l'automatisation d'usine/industrielle, les dispositifs de l'Internet des objets (IoT), les sous-systèmes automobiles et les équipements médicaux portables. La conception compacte, la faible consommation d'énergie et l'ensemblede fonctionnalités étendues de la carte en font un excellent choix pour les développeurs qui cherchent à prototyper et à mettre en œuvre des solutions embarquées efficaces et rentables.
Caractéristiques
- Fournie avec le microcontrôleur (MCU) CMOS RISC 16 bits ML62Q1714 de LAPIS, TQFP à 52 broches
- Montée avec le connecteur lié à EASE1000
- Trous traversants pour connecter les broches du LSI aux cartes périphériques externes
- Alimentation électrique sélectionnable, fournie par l'émulateur sur puce EASE1000 ou CN1_3 broches/CN2_2 broches
- LED montées (P20, P21, P22)
- Quartz 32.768KHz monté
- Faible consommation d'énergie
- Mémoire flash et RAM internes
- Interfaces E/S et de communication flexibles
- Traitement en temps réel
- Plage d'alimentation de fonctionnement de 1,6 V à 5,5 V
- Facteur de forme compact, taille de 56 mm x 94 mm x 15 mm (LxPxH)
Applications
- Domotique
- Automatisation d'usine/industrielle
- Internet des objets (IoT) et connectivité
- Électronique grand public
- Sous-systèmes automobiles
- Dispositifs médicaux et portables
- Applications intégrées
Présentation générale
Circuit d'alimentation
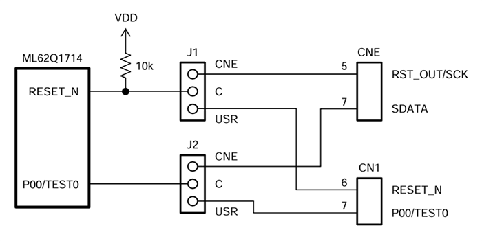
Interface EASE1000
Configuration du PCB
Publié le: 2024-12-27
| Mis à jour le: 2025-01-06
