ROHM Semiconductor Carte de référence RB-D62Q1542TB52
La carte de référence RB-D62Q1542TB52 de ROHM Semiconductor est une plateforme de développement conçue pour mettre en valeur et exploiter les capacités du microcontrôleur CMOS RISC LAPIS ML62Q1542 à 16 bits. Conçue pour l'efficacité et la polyvalence, cette carte facilite l' évaluation et le développement des applications intégrées dans des domaines tels que la domotique, le contrôle industriel, l'électronique grand public et l'Internet des objets (IoT). Le microcontrôleur (MCU) ML62Q1542 est doté d'une architecture RISC 16 bits robuste, présente une faible consommation électrique et comprend un ensemble complet de périphériques, y compris desminuteurs, des interfaces de communication et des convertisseurs analogique-numérique (CAN).La carte RB-D62Q1542TB52 de ROHM Semiconductor prend en charge des outils de développement avancés tels que l'environnement de développement intégré LEXIDE-U16 et l'émulateur sur puce EASE1000 V2 pour un débogage et une programmation transparents. Avec son boîtier TQFP compact à 52 broches, le RB-D62Q1542TB52 fournit aux développeurs une solution pratique et efficace pour le prototypage et l'avancement de systèmes intégrés innovants.
Caractéristiques
- Fourni avec le microcontrôleur (MCU) CMOS RISC 16 bits LAPIS ML62Q1542, TQFP à 52 broches
- Monté avec le connecteur lié à l'EASE1000
- Trous traversants pour connecter les broches du LSI aux cartes périphériques externes
- Alimentation électrique sélectionnable, fournie par l'émulateur sur puce EASE1000 ou CN1_3 broches/CN2_2 broches
- LED montée (P20, P21, P22)
- Quartz 32.768KHz monté
- Faible consommation d'énergie
- Mémoire flash et RAM internes
- Interfaces E/S et de communication flexibles
- Traitement en temps réel
- Plage d'alimentation de fonctionnement de 1,6 V à 5,5 V
- Facteur de forme compact, taille de 56 mm x 94 mm x 15 mm (LxPxH)
Applications
- Appareils ménagers
- Automatisation industrielle
- Électronique grand public
- Dispositifs médicaux et de santé
- Internet des objets (IoT) et dispositifs intelligents
- Automobile
- Systèmes Intégré
Présentation générale
Circuit d'alimentation
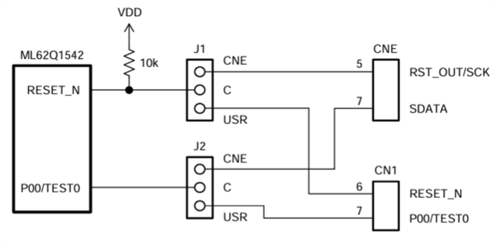
Interface EASE1000
Configuration du PCB
Publié le: 2024-12-27
| Mis à jour le: 2024-12-31
