ROHM Semiconductor Carte de référence RB-D62Q1335TD20
La carte de référence RB-D62Q1335TD20 de ROHM Semiconductor est conçue pour présenter les capacités du microcontrôleur CMOS RISC 16 bits LAPIS ML62Q1335 optimisé pour les applications intégrées faible puissance à hautes performances. Cette carte de référence offre une plateforme polyvalente aux développeurs pour évaluer et prototyper rapidement des systèmes nécessitant un traitement efficace et un contrôle en temps réel. Alimentée par le microcontrôleur (MCU) ML62Q1335, la carte offre une faible consommation électrique, ce qui la rend idéale pour des dispositifs fonctionnant sur batterie. Elle comprend une mémoire flash et une RAM internes, ainsi qu'une prise en charge de la mémoire externe pour les applications plus importantes.La carte RB-D62Q1335TD20 de ROHM Semiconductor dispose d'un éventail d'interfaces E/S, y compris des interfaces E/Snumériques, des intefaces CAN, et des protocoles de communication tels que UART SPI et2C permettant une intégration facile à despériphériques externes. Grâce à ses capacités de traitement en temps réel, elle convient aux applications sensibles au temps, et en raison de sa conception compacte, elle est idéale pour les systèmes à espace restreint. Avec les outils de développement, l'exemple de code et les interfaces de débogage fournis, la carte de référence RB-D62Q1335TD20 accélère le développement d'applications dans l'automatisation industrielle, l'électronique grand public et les systèmes automobiles, en offrant une solution fiable et économe en énergie.
Caractéristiques
- Fournie avec le microcontrôleur (MCU) CMOS RISC 16 bits LAPIS ML62Q1335, TSSOP 20 broches
- Équipée du connecteur lié à l'EASE1000
- Trous traversants pour connecter les broches du LSI aux cartes périphériques externes
- Alimentation électrique sélectionnable, fournie par l'émulateur sur puce EASE1000 ou CN1_3 broches/CN2_2 broches
- LED montée (P20, P21, P22)
- Faible consommation d'énergie
- Mémoire flash et RAM intégrées
- Diverses interfaces E/S
- Capacités de traitement en temps réel
- Plage d'alimentation de fonctionnement de 1,6 V à 5,5 V
- Facteur de forme compact, taille de 56 mm x 94 mm x 15 mm (LxPxH)
Applications
- Automatisation industrielle
- Produits électroniques grand public
- Systèmes automobiles
- Réseaux de capteurs
Présentation générale
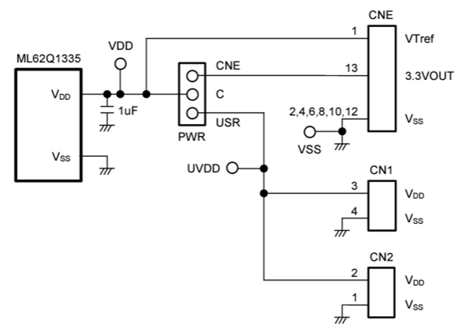
Circuit d'alimentation
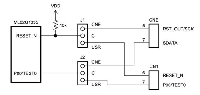
Interface EASE1000
Configuration du PCB
