ROHM Semiconductor High Speed Operational Amplifiers
ROHM High-Speed Operational Amplifiers product line includes high-speed operational amplifiers with dual circuits or quad circuits. These high-speed op-amps feature high gain-bandwidth characteristics (4MHz typical), high slew rates (10V/μs typical), and a wide operating voltage range of 3V to 36V (single power supply) or 1.5V to 18V (dual power supply).Features
- Operable with a single power supply
- Wide operating supply voltage
- Internal phase compensation
- High open-loop voltage gain
- Operable low input voltage around GND level
- Wide output voltage range
Specifications
- 10V/µs (typical) slew rate
- 4MHz (typical) unity gain frequency
- Operating supply voltage:
- 3V to 36V single power supply
- ±1.5V to 18V dual power supply
Applications
- Current sense application
- Buffer application amplifier
- Active filter
- Consumer electronics
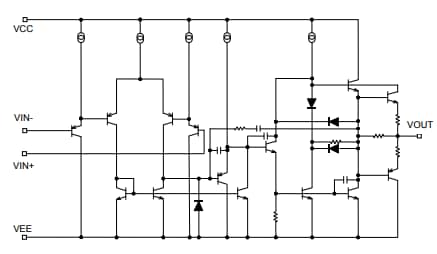
High-speed Operational Amplifiers Schematic
Publié le: 2014-11-18
| Mis à jour le: 2022-03-11
