ROHM Semiconductor CI de gestion d'alimentation de panneau automobile BM81810MUV-M
Le CI de gestion d'alimentation (PMIC) pour panneau automobile BM81810MUV-M de ROHM Semiconductors est optimisé pour les panneaux d'affichage utilisés dans la navigation automobile, les panneaux centraux embarqués et les groupes d'instruments. Le BM81810MUV-M intègre un amplificateur VCOM et une Modulation d'impulsion de grille (GPM), en plus de l'alimentation pour le pilote de panneau (alimentations électriques SOURCE, GATE et LOGIC). Ce composant intègre également l'EEPROM pour la rétention de réglage de la séquence et de la tension de sortie. Le CI BM81810MUV-M comprend un verrouillage de sous-tension, une coupure thermique, une protection contre les surintensités, une protection contre les surtensions et des circuits de protection contre les sous-tensions.Le PMIC BM81810MUV-M de ROHM Semiconductor est disponible en boîtier VQFN32SV5050 et est homologué AEC-Q100 pour une utilisation dans les applications automobiles.
Caractéristiques
- Homologué AEC-Q100 (classe 2)
- Convertisseur CC-CC Buck synchrone alternatif ou LDO pour sortie VDD
- Convertisseur CC-CC Boost synchrone pour sortie AVDD avec commutateur de charge intégré
- Précision de la tension de sortie AVDD ±2 %
- Amplificateur VCOM avec étalonneur 7 bits
- Pompe de charge positive (diode intégrée, x2/x3) pour sortie VGH
- Pompe de charge négative pour sortie VGL
- Compensation de température VGH et VCOM
- Modulation d'impulsion de grille (GPM)
- Fonction de contrôle du réglage de la tension de sortie de l'interface I2C avec EEPROM intégré
- Fonction de commutation de fréquence de commutation (525 kHz, 1,05 MHz, 2,1 MHz)
- Circuits de protection
- Verrouillage en sous-tension
- Arrêt thermique
- Protection contre les surintensités
- Protection contre les surtensions
- Protection contre les sous-tensions (type de verrouillage par minuteur)
- Tolérance d'entrée (SCL, SDA, EN, WPN)
- Plage de température de fonctionnement de -40 °C à +105 °C
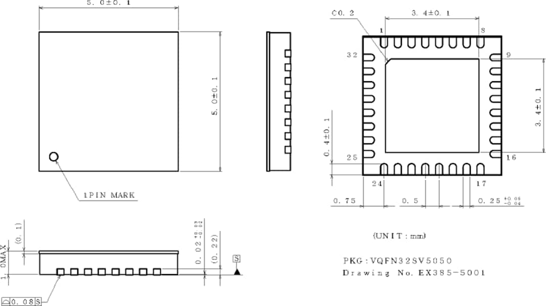
- Boîtier VQFN32SV5050 5,0 mm x 5,0 mm x 1,0 mm
Applications
- Panneaux d'affichage
- Navigation automobile
- Panneau central embarqué
- Console d’instruments
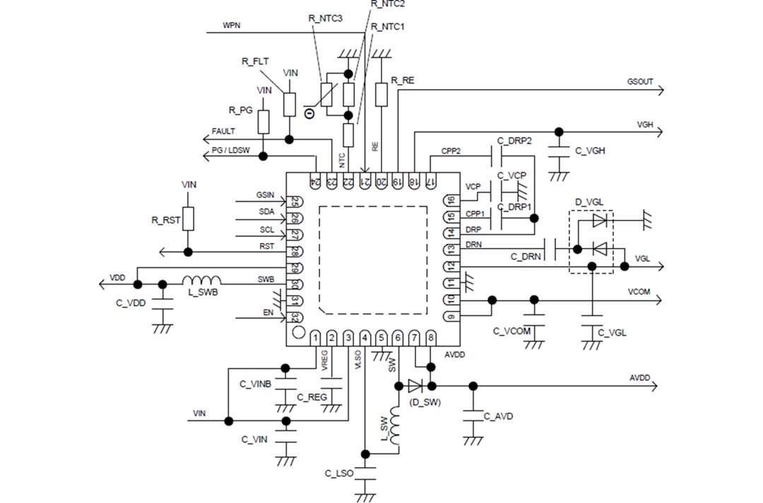
Circuit d'application standard
Profil du boîtier
Publié le: 2021-03-15
| Mis à jour le: 2022-03-11
