ROHM Semiconductor Pilotes de moteur de ventilateur triphasé BM624xFS
Les pilotes de moteur de ventilateur triphasés BM624xFS de ROHM Semiconductor sont des pilotes brushless fournis avec un PrestoMOSFET™ de 600 V intégré comme transistor de sortie. Ce pilote de moteur dispose d’un mode amorçage par un pilote côté haut flottant qui comprend la diode. Le pilote de moteur BM624xFS de ROHM Semiconductor intègre des circuits de protection intégrés pour les surintensités, les surchauffes, le verrouillage de sous-tension et l’entrée de défaillance externe. Ces pilotes de moteur fournissent un système d'entraînement de moteur optimal pour une large variété d'applications en combinaison avec les contrôleurs BD6201x et permettent la normalisation des unités de moteur. Les applications standard comprennent les climatiseurs, les purificateurs d'air, les pompes à eau, les lave-vaisselle et les lave-linge.Caractéristiques
- Circuits de protection fournis :
- Protection contre les surintensités (OCP)
- Protection contre coupure thermique (TSD)
- Protection par verrouillage contre les sous-tensions (UVLO)
- Entrée de défaut externe
- Adopte le PrestoMOSFET intégré comme transistor de sortie
- Fonctionnement d'amorçage par pilote côté haut flottant qui comprend une diode
- Sortie de défaut de drain ouvert
Caractéristiques techniques
- Tension de MOSFET en sortie 600 V
- Courant de sortie pilote (CC) ±1,5 A (maximum)
- Résistance CC à l'état passant du MOSFET de sortie 2,7 Ω (standard)
- Type de pilote sinusoïdal de 180 °
- Température de jonction maximale de +150 °C
- Boîtier SSOP-A54_23 avec des dimensions de 22 mm x 14,1 mm x 2,4 mm
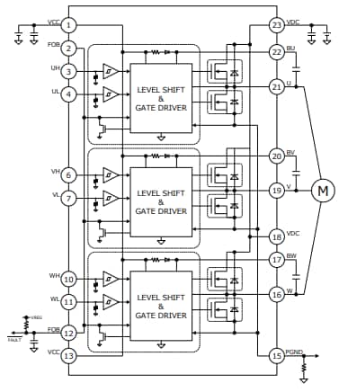
Schéma fonctionnel
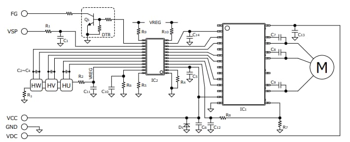
Schéma du circuit d’application
Publié le: 2020-04-14
| Mis à jour le: 2024-09-26
