ROHM Semiconductor Carte d'évaluation BM61S41RFV-EVK002
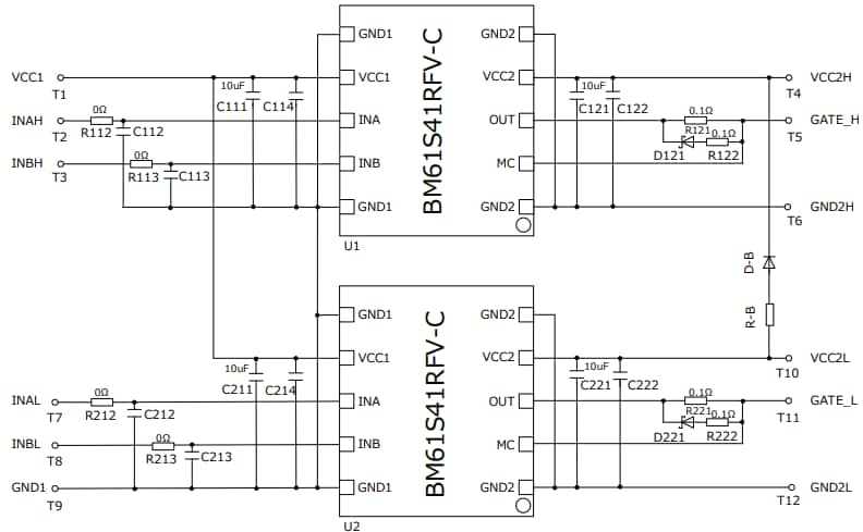
La carte d’évaluation BM61S41RFV-EVK002 de ROHM Semiconductor pilote deux dispositifs d’alimentation SiC et est conçue pour évaluer un pilote BM61S41RFV-C. Le CI BM61S41RFV-C est un pilote de grille avec une tension d’isolation de 3 750 Vrms. Le CI BM61S40RFV-C intègre le verrouillage de sous-tension (UVLO) et la fonction de pince Miller active. La carte d’évaluation BM61S41RFV-EVK002 de ROHM Semiconductor fournit une alimentation côté entrée de 4,5 V à 5,5 V et une tension d’alimentation côté sortie de 16 V à 24 V.Caractéristiques
- Tension d'alimentation électrique côté entrée de 4,5 V à 5,5 V
- Tension d’alimentation côté sortie de 16 V à 24 V
- Pince Miller active pour le contrôle de grille
- Fonction de verrouillage de sous-tension (UVLO) côté entrée et côté sortie
Schéma des dimensions
Schéma de principe
Ressources supplémentaires
Publié le: 2020-02-18
| Mis à jour le: 2024-09-24
