ROHM Semiconductor CI convertisseurs quasi-résonants CC/CC BM1Q0xAFJ-LBE2
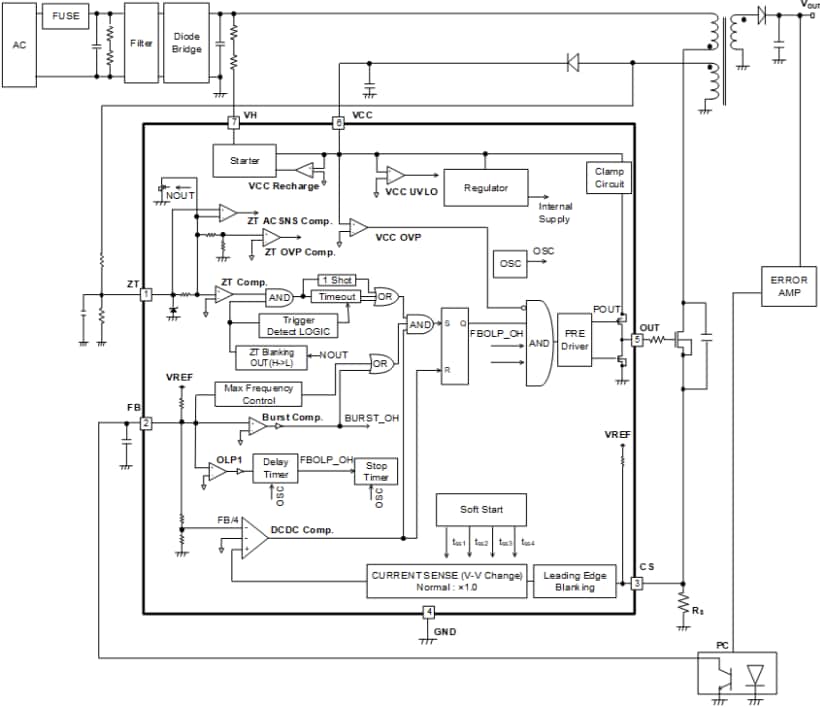
Les CI convertisseurs quasi-résonants CC/CC ROHM Semiconductor BM1Q0xAFJ-LBE2 permettent à long terme des applications industrielles et des systèmes optimaux pour divers dispositifs électriques. Ces CI incluent un circuit de démarrage tolérant 650 V, ce qui contribue à une faible consommation d'énergie en mode veille et à un démarrage rapide. Lorsque les circuits intégrés sont peu sollicités, la puissance en mode veille est réduite en raison de fonction de fonctionnement en rafale intégrée et de la faible consommation de courant des CI. Le CI convertisseur BM1Q0xAFJ-LBE2 comprend des fonctions de protection intégrées telles que la fonction de démarrage progressif, la protection contre les surintensités par cycle, la protection contre les surtensions, la protection contre les surcharges et la protection ouverte des broches CS. Les applications typiques comprennent des équipements industriels, des climatiseurs, des adaptateurs CA et des téléviseurs.Caractéristiques
- Produit à prise en charge de longue durée pour les applications industrielles
- Système quasi-résonant
- Circuit démarreur intégré tolérant 650 V
- Fonction de réduction des accès de salves à faible charge/fréquence
- 120 kHz fréquence maximale
- Circuit de correction de tensions alternatives d'entrée
- Protection de sous-tension de broche VCC
- Protection contre les surtensions de broches VCC
- Circuit de protection contre les surintensités par cycle
- Circuit de verrouillage de pilote de sortie sous 12 V
- Fonction de démarrage progressif
- Fonction de masquage de déclenchement de broches ZT
- Protection de la broche ZT contre les surtensions
- Protection contre les surcharges de sortie (redémarrage automatique)
- Circuit de protection de broche CS ouverte (redémarrage automatique)
Caractéristiques techniques
- Plage de tension d'alimentationde fonctionnement
- De 8,9 V à 26 V VCC
- De -0,3 V à 650 V VH
- Courant standard de 600 μA à fonctionnement de commutation
- Courant standard de 350 μA à fonctionnement en rafale
- Plage de température de fonctionnement de -40 °C à 105 °C
- Dimensions de 4,9 mm x 6 mm x 1,65 mm
- Boîtier SOP-J7S
Applications
- Équipements industriels
- Climatisation
- Adaptateurs CA
- Téléviseurs
Schéma de circuit d'application standard
Schéma fonctionnel
Schéma d'application
Publié le: 2024-05-24
| Mis à jour le: 2024-06-12
