ROHM Semiconductor Régulateurs de tension LDO BDxxGA3WEFJ / BDxxGA3WNUX
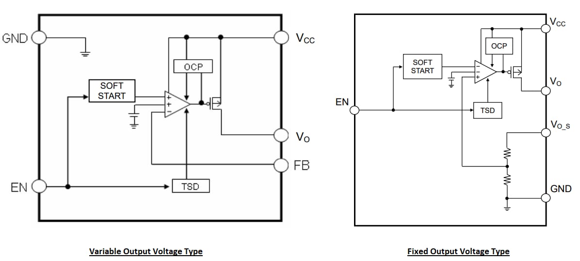
Les régulateurs de tension LDO BDxxGA3WEFJ / BDxxGA3WNUX de ROHM Semiconductor offrent un courant de sortie de 300 mA. Les régulateurs de tension disposent d'une précision de tension de sortie de 1 %, d'un mode d'arrêt zéro µA, d'une protection intégrée contre les surintensités (OCP) et d'un circuit de coupure thermique (TSD) intégré. Ces régulateurs de tension LDO BDxxGA3WEFJ / BDxxGA3WNUX offrent des dispositifs à tension de sortie fixe et variable. Le dispositif à tension de sortie variable varie de 1,5 V à 13 V à l'aide de résistances externes. Ces régulateurs LDO disposent de divers dispositifs de tension de sortie fixe qui n'utilisent pas de résistances externes sont également disponibles. Les régulateurs de tension BDxxGA3WEFJ / BDxxGA3WNUX sont disponibles en petits boîtiers HTSOP-J8 (4,90 mm x 6 mm x 1 mm) et VSON008X2030 (2 mm x 3 mm x 0,60 mm). Ces régulateurs LDO sont utilisables avec des condensateurs céramiques qui permettent une disposition plus petite et une durée de vie plus longue. Les régulateurs LDO sont utilisés pour un large éventail d'applications d'appareils numériques.±Caractéristiques
- Précision de tension de sortie : +/-1 %
- Protection contre les surintensités (OCP) intégrée
- Circuit de coupure thermique (TSD) intégré
- Mode d'arrêt zéro µA
Caractéristiques techniques
- Plage de tension d'alimentation d'entrée de l'étage d'alimentation : 4,5 V à 14 V
- Plage de tensions de sortie de 1,5 V à 13 V (type variable)
- Tension de sortie (type fixe) 1,5 V/1,8 V/2,5 V/3 V/3,3 V/5 V/6 V/7 V/8 V/9 V/10 V/12 V
- Courant de sortie maximal 0,3 A
- Plage de températures de fonctionnement : de -25 °C à +85 °C
- Boîtiers :
- HTSOP-J8 (EFJ) : dimensions 4,90 mm x 6 mm x 1 mm
- VSON008X2030 (NUX) : dimensions 2 mm x 3 mm x 0,60 mm
Schéma fonctionnel
Circuit d'application standard
View Results ( 23 ) Page
| Numéro de pièce | Fiche technique | Tension de sortie | Courant de sortie | Type de sortie | Pd - Dissipation d’énergie | Nombre de sorties | Style de montage |
|---|---|---|---|---|---|---|---|
| BD50GA3WEFJ-E2 | ![]() |
5 V | 300 mA | Fixed | 2.11 W | 1 Output | SMD/SMT |
| BD60GA3WEFJ-E2 | ![]() |
6 V | 300 mA | Fixed | 2.11 W | 1 Output | SMD/SMT |
| BD00GA3WEFJ-E2 | ![]() |
300 mA | Adjustable | 2.11 W | 1 Output | SMD/SMT | |
| BD80GA3WNUX-TR | ![]() |
8 V | 300 mA | Fixed | 1.7 W | 1 Output | SMD/SMT |
| BD15GA3WNUX-TR | ![]() |
1.5 V | 300 mA | Fixed | 1.7 W | 1 Output | SMD/SMT |
| BD25GA3WNUX-TR | ![]() |
2.5 V | 300 mA | Fixed | 1.7 W | 1 Output | SMD/SMT |
| BD80GA3WEFJ-E2 | ![]() |
8 V | 300 mA | Fixed | 2.11 W | 1 Output | SMD/SMT |
| BD90GA3WNUX-TR | ![]() |
9 V | 300 mA | Fixed | 1.7 W | 1 Output | SMD/SMT |
| BD18GA3WNUX-TR | ![]() |
1.8 V | 300 mA | Fixed | 1.7 W | 1 Output | SMD/SMT |
| BD33GA3WEFJ-E2 | ![]() |
3.3 V | 300 mA | Fixed | 2.11 W | 1 Output | SMD/SMT |
Publié le: 2021-05-04
| Mis à jour le: 2022-03-11

