ROHM Semiconductor Convertisseurs CC-CC Buck simples 2,2 MHz série BD9P
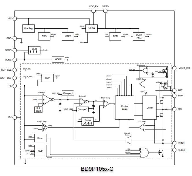
Les convertisseurs CC-CC Buck simples 2,2 MHz série BD9P de ROHM Semiconductor sont des convertisseurs CC-CC Buck synchrones à mode courant intégrant des MOSFET de puissance. Ces convertisseurs disposent d'une protection contre le verrouillage de sous-tension (UVLO) d'entrée, la coupure thermique (TSD), la surtension de sortie et le court-circuit. Les convertisseurs CC-CC Buck série BD9P1x-C offrent une commutation à spectre étalé sélectionnable et une fonction de synchronisation externe. Ces convertisseurs CC-CC fonctionnent sur une plage de tension d’alimentation de 3,5 V à 40 V et une plage de température de -40 °C à +125 °C. Les convertisseurs BD9P de ROHM Semiconductor sont adaptés aux alimentations automobiles et grand public.Caractéristiques
- Nano pulse control™
- Homologué AEC-Q100
- Minimum sur l'impulsion de 50 ns(max)
- Convertisseur CC-CC Buck synchrone intégrant des MOSFET de puissance
- Fonction de démarrage progressif
- Contrôle du mode courant
- Fonction de réinitialisation
- Courant de repos de 10 μA(std) avec une entrée de 12 V à une sortie de 5 V
- Mode à faible charge (LLM)
- Mode de modulation de largeur d'impulsion (MLI) forcée
- Compensation de phase incluse
- Commutation à spectre étalé sélectionnable
- Fonction de synchronisation externe
- Protection contre les surintensités (OCP) sélectionnable
- Protection de verrouillage de sous-tension (UVLO) d'entrée
- Protection contre la coupure thermique (TSD)
- Protection contre les surtensions en sortie (OVP)
- Protection contre les courts-circuits (SCP)
Caractéristiques techniques
- Plage de tension d’alimentation de 3,5 V à 40 V
- Plage de température de fonctionnement de -40 °C à +125 °C
- Fréquence de commutation 2,2 MHz
Applications
- Alimentations automobiles
- Alimentations grand public
Applications
Fiches techniques
Vidéos
Publié le: 2021-01-04
| Mis à jour le: 2024-10-29
