ROHM Semiconductor CI de gestion d'alimentation automobile BD9573MUF-M
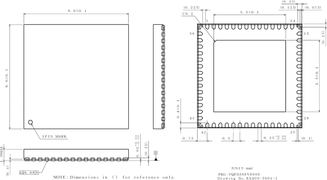
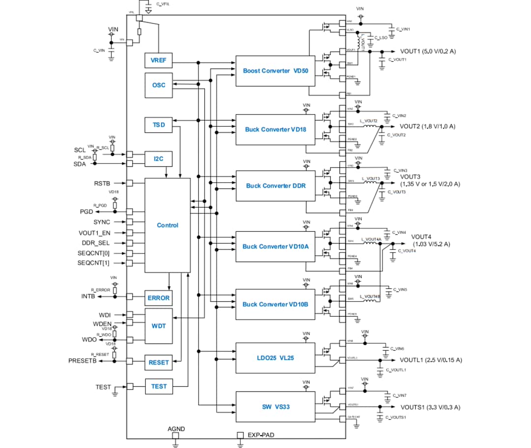
Le CI de gestion d'alimentation automobile (PMIC) BD9573MUF-M de ROHM Semiconductor est spécialement conçu pour être utilisé avec les processeurs de série R-Car D3 de Renesas Electronics pour les systèmes d'info-divertissement embarqué (IVI) et les panneaux de cluster d'instruments. Le PMIC BD9573MUF-M offre un contrôle I2C avec un registre d'état pour le contrôle des erreurs. Le composant comprend un contrôle de séquence de sortie intégré et la prise en charge de la mémoire DDR3L/DDR3. Les fonctions de protection intégrées comprennent le verrouillage de sous-tension (UVLO), la protection contre les surintensités (OCP), la protection contre les surtensions (OVP), la protection contre les sous-tensions (OVP), la protection contre les courts-circuits (SCP)et l'arrêt thermique (TSD).Le PMIC automobile BD9573MUF-M de ROHM Semiconductor est disponible en boîtier VQFN56FV8080 avec des flancs mouillables. Ce composant est homologué AEC-Q100 et dispose d'une plage de température de fonctionnement de -40 °C à +105 ºC.
Caractéristiques
- Certifié AEC-Q100 classe 2
- Gestion de l'alimentation pour R-car D3 (*E3 si Iout ≦ 5,2 A)
- Contrôle de séquence de sortie intégré
- Mémoire DDR3L/DDR3 prise en charge
- Séquence de mise sous tension et hors tension et contrôle d'état personnalisables
- Logique de contrôle de puissance avec interface processeur et détection d'événements
- Plage de tension d'entrée de 3,0 V à 3,6 V
- Précision de tension de sortie 1,8 %
- Fréquence de commutation de 2,25 MHz ±10 %
- Fonction de résistance de rétroaction/circuit de compensation/décharge intégrée
- Bonne alimentation intégrée (borne PGD)
- Minuteur watchdog de type fenêtre (WDT) intégré
- Contrôle I2C avec un registre d'état intégré
- Protection UVLO, SCP, OVP, UVP, OCP et TSD intégrée
- Réglage de la durée de séquence (SEQCNT1, 2)
- EEPROM prise en charge
- Plage de température de fonctionnement de -40 ºC à +105 ºC
- Boîtier VQFN56FV8080 8,0 mm x 8,0 mm x 1,0 mm ; pas de 0,5 mm
Applications
- Systèmes d'info-divertissement embarqué (IVI)
- Panneau de cluster d'instruments
Schéma fonctionnel
Profil du boîtier
Publié le: 2021-11-29
| Mis à jour le: 2022-03-11
