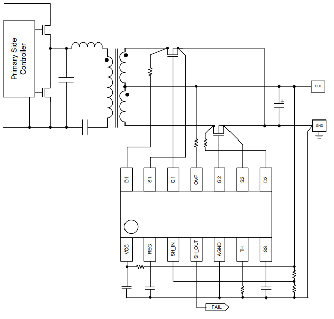
ROHM Semiconductor CI de contrôle de redressement synchrone BD85506F
Les CI de contrôle de redressement synchrone BD85506F de ROHM Semiconductor disposent d'une fonction améliorée de détection des anomalies du côté secondaire. Ce CI dispose d'une fonction pour détecter les anomalies FET telles que le fonctionnement de redressement par diode de corps. De plus, il intègre un circuit de détection de surtension de haute précision, contribuant à améliorer la sécurité et à réduire les composants externes.Caractéristiques
- Fonction de détection d'anomalie FET interne pour le redressement synchrone côté secondaire
- Circuit de détection de surtension interne (OVP) (réglable en externe, haute précision : 2 %)
- L'amélioration du rendement par la tension de seuil FET OFF est réglable.
- La source de chaque FET peut être surveillée individuellement.
- Fonction de détermination automatique du mode veille interne
- Comparateur à usage multiple interne
- Avec la fonction de démarrage lent, il est possible de régler la fonction de détection d'anomalies FET au démarrage et pendant le démarrage de l'opération de commutation.
- Large plage de tension d'entrée : 5,0 V à 32 V
- Tension de claquage : 120 V (max), broches D1, D2
- Boîtier SOP14 compatible avec le flux
Applications
- Alimentation CA-CC isolée de type LLC
- Adaptateurs, téléviseurs, imprimantes, équipements de bureau, etc.
Circuits d’application standard
Publié le: 2022-02-01
| Mis à jour le: 2022-03-11
