ROHM Semiconductor CI pilote LED 16 canaux BD83816EFV-M
Le circuit intégré pilote LED à 16 canaux BD83816EFV-M de ROHM Semiconductor est un pilote LED contrôlé à sortie parallèle et entrée en série avec une tension de sortie nominale de 35 V. Ce pilote de LED qualifié AEC-Q100, avec l'entrée de données série de 3 lignes, active/désactive la sortie à drain ouvert de 16 canaux. Le CI pilote BD83816EFV-M dispose d’une plage de tension d’entrée de 3 V à 5,5 V, d’un transistor de puissance interne à 16 canaux et d’une sortie à drain ouvert dans un boîtier HTSSOP-B24. Ce composant est compatible avec une connexion en cascade et offre une vitesse de balayage en sortie de 20LV/µs. Le pilote LED à 16 canaux BD83816EFV-M est optimal pour les petits espaces et est bien adapté aux indicateurs de panneaux de groupe et d’applications automobiles.Caractéristiques
- Homologué AEC-Q100 (classe 1)
- Sortie à drain ouvert
- Signal d’activation + contrôle par 3 lignes de données
- Compatible avec une connexion en cascade
- Boîtier HTSSOP-B24
- Transistor de puissance interne à 16 canaux
- Vitesse de balayage en sortie de 20 V/μs (standard – pour un faible bruit CEM)
Applications
- Indicateurs des groupes thématiques
- Automobile
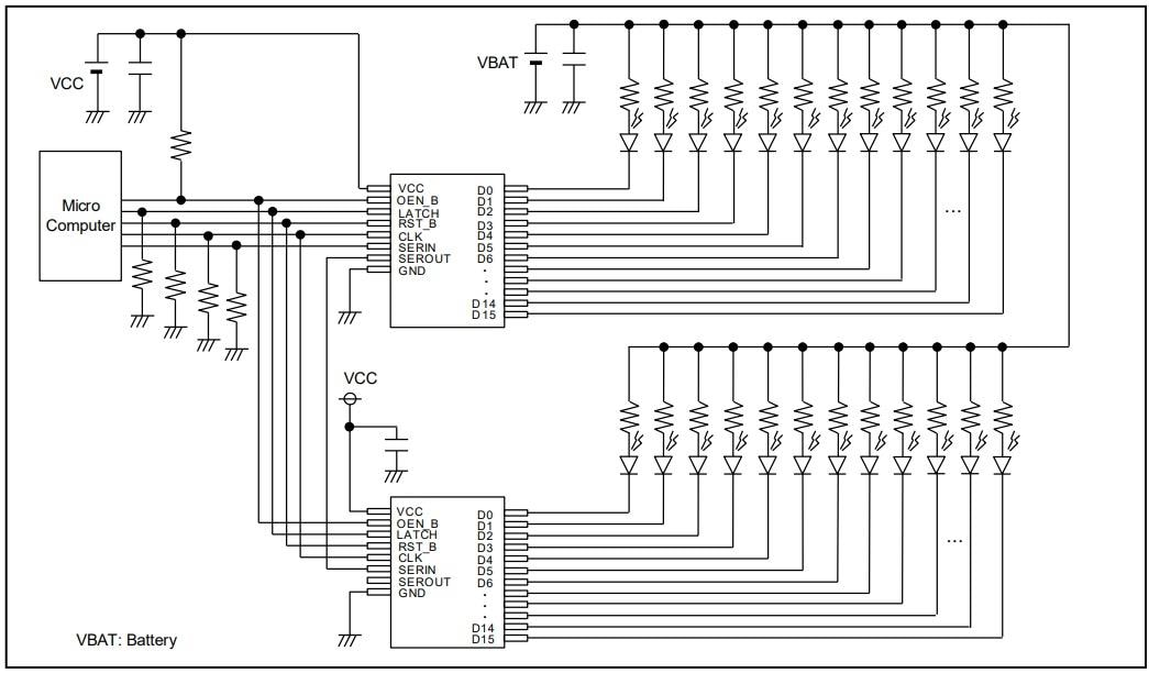
SCHÉMA DE PRINCIPE
Circuit d'application standard
Publié le: 2024-01-18
| Mis à jour le: 2024-04-30
