ROHM Semiconductor Pilotes de grille pour moteurs CC brushless BD6787xMWV-Z
Les pilotes de grille pour moteurs CC brushless BD6787xMWV-Z de ROHM Semiconductor sont conçus pour des applications de moteurs CC brushless triphasés. Ces circuits intégrés de ROHM Semiconductor pilotent trois demi-ponts, constitués au total de six MOSFET de puissance à canal N, pour des tensions jusqu’à 60 V. Le BD67870MWV-Z intègre un mode MLI (modulation de largeur d’impulsion, PWM) 6x, tandis que le BD67872MWV-Z propose un mode MLI 3x. Le BD67871MWV-Z intègre une commande de grille active innovante (TriC3™), qui supprime les EMI et réduit la génération de chaleur dans les dispositifs de puissance MOSFET utilisés dans les systèmes d’entraînement de moteurs. La technologie TriC3 assure ces fonctions en surveillant différentes tensions autour du dispositif MOSFET de puissance et en exploitant ces informations de tension pour piloter le courant de commande de grille du MOSFET de puissance.Caractéristiques
- Large plage de tension d’entrée de 4,5 V à 60 V
- Pilote de grille de démarrage avec circuit de source de courant pour une exploitation à 100 % du rapport cyclique et état d'impédance élevée (HiZ) avec pompe de charge au ralenti
- Protection contre la surchauffe, protection de sous-tension (UVLO) sur l’alimentation d’entrée VCC et sur l’alimentation du pilote de grille VREG
- Très faible courant de repos IVCCQ (<1 µa en="" mode="">1 µa>
- Contrôle du temps mort réglable de 10 ns à 3 000 ns par une résistance externe
- Mode MLI 6x (BD67870MWV-Z) ou 3x (BD67872MWV-Z) (logique d'entrée)
Applications
- Moteurs CC brushless triphasés
- Moteurs synchrones à aimants permanents
- Outils électriques
- Vélos électriques, mobilité
Caractéristiques techniques
- Capacité de pilotage du pilote de grille (source)
- BD67870MWV-Z et BD67872MWV-Z : 0,5 A (standard)
- BD67871MWV-Z : 0,7 A (standard)
- Plage de VCC de 4,5 V à 60 V
- Capacité de pilotage du pilote de grille (sink) : 1 A (standard)
- Tension de détection UVLO sur VCC : 3,8 V (standard)
- Température de jonction maximale de +150 °C
Vidéos
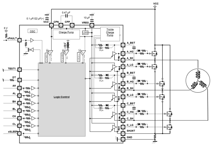
Schéma fonctionnel des BD67870/BD67872
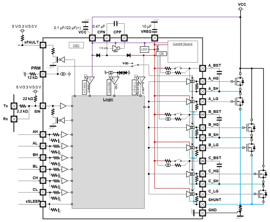
Schéma fonctionnel BD67871
Publié le: 2025-10-08
| Mis à jour le: 2026-01-19
