ROHM Semiconductor CNA audio stéréophonique 32 bits série MUS-IC™ BD34302EKV
Le CNA audio stéréophonique 32 bits série MUS-IC™ BD34302EKV est développé pour un audio de haute qualité qui intègre la technologie de flux audio de qualité exceptionnelle de ROHM. Le DWA améliore les performances THD et fournit une résolution plus élevée et une meilleure qualité sonore naturelle avec le mode mono HD (haute définition). De plus, le BD34302EKV de ROHM dispose d'une fonction de commutation automatique entre les modes qui permet aux utilisateurs de passer facilement entre PCM/DSD et différentes fréquences d'échantillonnage.Caractéristiques
- Série MUS-IC
- SNR de 130 dB (standard), THD+N de -115 dB (standard)
- Fréquence d'échantillonnage de 32 kHz à 1 536 kHz
- DSD 2,8 MHz, 5,6 MHz, 11,2 MHz et 22,5 MHz
- Prend en charge le mode stéréophonique (2 canaux), le mode monophonique (1 canal) et le mode monophonique HD (haute définition) (1 canal)
- 2 types de filtres FIR numériques
- 2 types d'algorithmes DWA
- Commutation automatique entre les modes
- Prise en charge de l'entrée de données ΔΣ multi-bits
- 4 adresses de périphérique sélectionnables (38h/3Ah/3Ch/3Eh)
- Boîtier HTQFP64BV de 12,0 mm x 12,0 mm x 1,0 mm
Applications
- Haut-parleurs intelligents
- Audio haute résolution
- Lecteur CD/SACD
- Lecteur audio numérique (DAP)
- USB-CNA et autres
Caractéristiques techniques
- Plage de tension d'alimentation de 4,5 V à 5,5 V de AVCC
- Plage de tension d'alimentation de 1,4 V à 1,6 V de DVDD
- Plage de tension d'alimentation de 3,0 V à 3,6 V de DVDDIO
- SNR de 130 dB (standard)
- THD+N de -115 dB (standard)
- Portée dynamique de 130 dB (standard)
- Plage de température de fonctionnement : de -40 °C à +85 °C
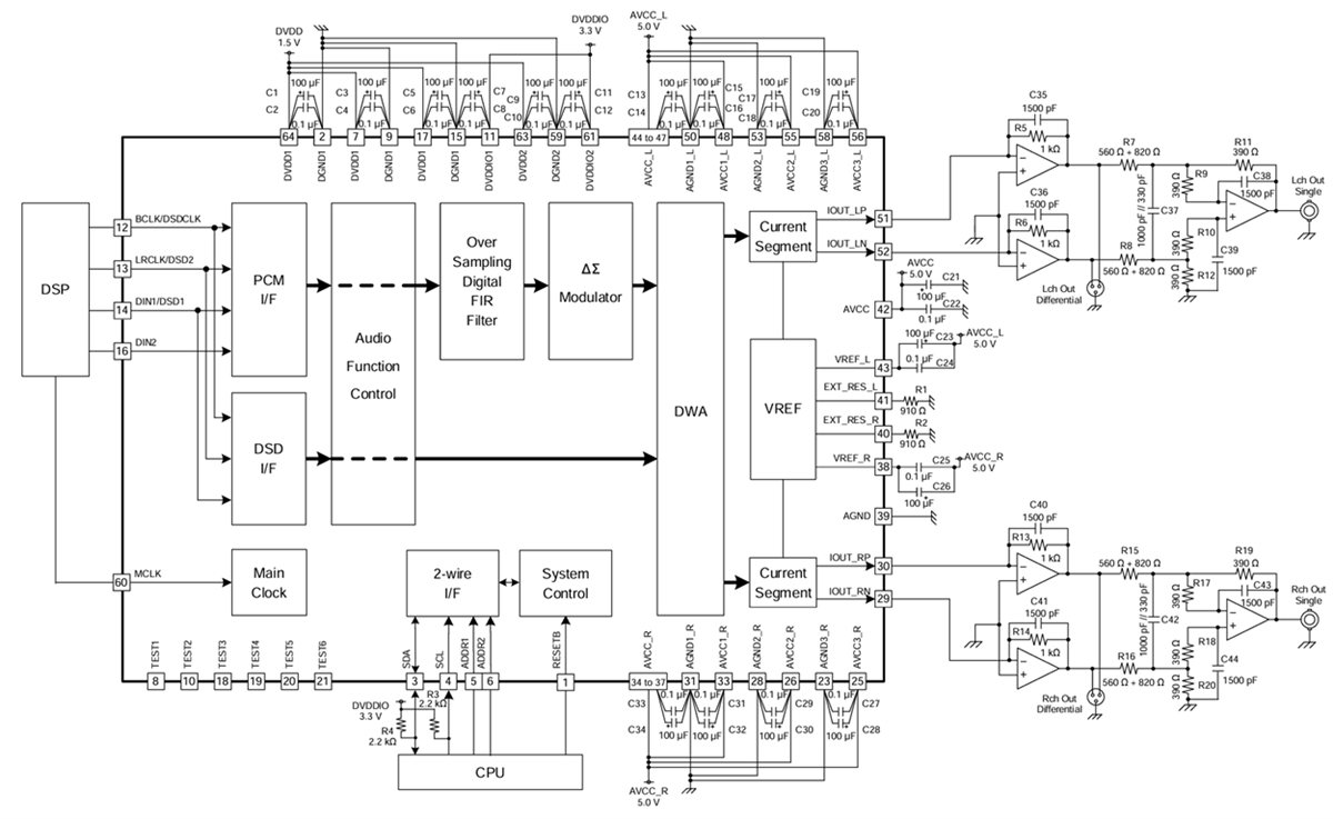
Circuit d'application standard
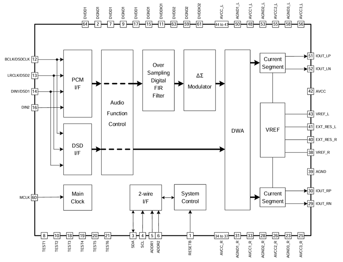
Schéma fonctionnel
Publié le: 2025-01-06
| Mis à jour le: 2025-07-17
