ROHM Semiconductor Contrôleurs de moteur de ventilateur brushless triphasé BD2601xBFS
Les contrôleurs de moteur de ventilateur brushless triphasé BD2601xBFS de ROHM Semiconductor génèrent un signal de pilotage à partir des entrées du capteur de Hall. Le BD2601xBFS de ROHM Semiconductor l'envoie ensuite pour contrôler le transistor de puissance externe. Il est facile à remplacer grâce à la compatibilité de ses broches avec BD62018BFS. Ce contrôleur garantit un entraînement optimal du moteur pour diverses applications et facilite la normalisation des unités de moteur.Caractéristiques
- BD62012BFS
- Logique de commutation 150 °
- Contrôle MLI (commutation ARM supérieure)
- BD62018BFS
- Logique de commutation sinusoïdale 180 °
- Contrôle MLI (commutation ARM inférieure et supérieure)
- Contrôle de phase pris en charge de 0 ° à +30 ° à des intervalles de 1 °
- Commutateur de sens de rotation
- Sortie de signal FG avec commutateur de nombre d'impulsions (4 ou 12)
- Sortie VREG (5 V/30 mA)
- OCP, TSD, UVLO, MLP et les circuits de protection d'entrée de défaut externe fournis
Applications
- Climatisation
- Purificateurs d'air
- Pompes à eau
- Lave-vaisselle
- Lave-linge
Fiches techniques
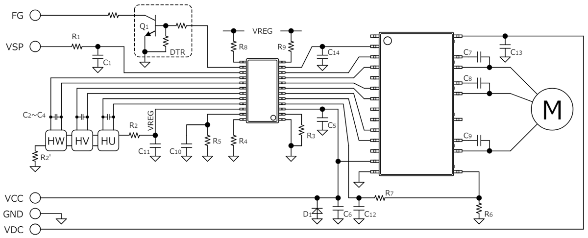
Circuit d'application standard
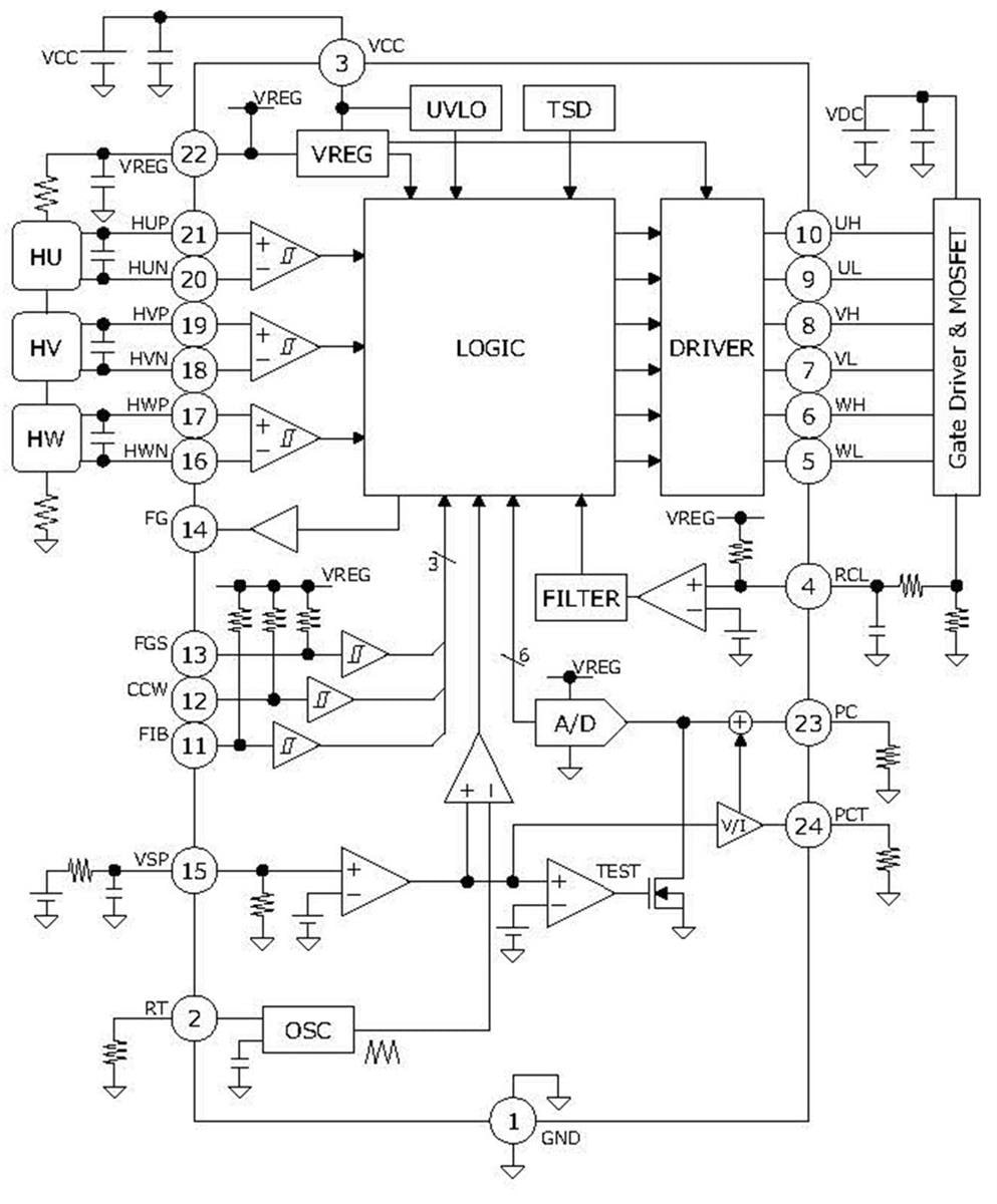
Schéma fonctionnel
Publié le: 2024-05-30
| Mis à jour le: 2024-06-06
