ROHM Semiconductor Contrôleur LED à courant élevé monocanal BD18353EFV-M
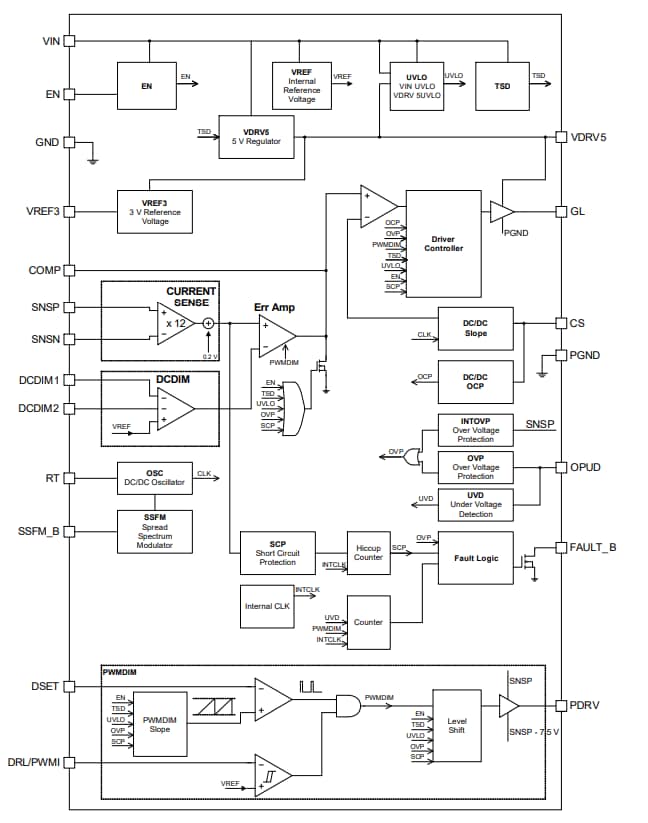
Le contrôleur LED à courant élevé monocanal série BD18353x de ROHM Semiconductor est un composant homologué AEC-Q100 disposant d'un amplificateur de détection de courant côté haut intégré. Ce contrôleur LED dispose de deux systèmes de graduation analogique intégrée, d'une protection contre les surtensions (OVP) et d´une protection contre les courts-circuits (SCP). La graduation MLI peut être réglée sans avec un circuit de génération MLI intégré. Ce contrôleur LED fonctionne sur une plage de tension d'entrée de 5 V à 65 V et une plage de température de -40 °C à +125 °C. Le contrôleur LED à courant élevé monocanal BD18353EFV-M est idéal pour les lampes extérieures automobiles.Caractéristiques
- Homologué AEC-Q100 (classe 1)
- Amplificateur de détection de courant rail à rail
- Générateur de signal de graduation MLI
- Protection contre les surtensions (OVP)
- Protection contre les courts-circuits (SCP)
- Graduation analogique (deux systèmes)
- Activation du mode DRL (100 % de service)
- État LED sorties anormales (FAULT_B)
- Marche/arrêt de modulation de fréquence à spectre étalé (SSFM_B)
Caractéristiques techniques
- Plage de température de fonctionnement de -40 ºC à +125 ºC
- Plage de tension d'entrée de 5 V à 65 V
- Précision de tension de détection de courant LED ±3 %
- Tension de sortie maximale 65 V
- Plage de commutation de fréquence de 200 kHz à 2,5 MHz
Applications
- Phares et voyants extérieurs automobiles :
- Arrière, clignotant, DRL/position, brouillard, faisceaux de route et de croisement
Schéma fonctionnel
Schéma du circuit d’application
Ressources supplémentaires
Publié le: 2021-03-23
| Mis à jour le: 2022-03-11
