ROHM Semiconductor Pilotes à demi-pont BD1693x
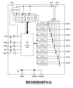
Les pilotes à demi-pont BD1693x de ROHM Semiconductor disposent d'un contrôle SPI, d'un contrôle de sortie à trois modes et d'un faible courant de veille pour les applications automobiles. Ces pilotes comprennent une diode de protection intégrée contre la tension inverse de sortie, une protection contre les surtensions (OVP), une protection contre les surintensités (OCP) et une détection de sous-charge. Les pilotes BD1693x fournissent un verrouillage de sous-tension (UVLO), un arrêt thermique (TSD) et un avertissement thermique (TW). Ces pilotes à demi-pont fonctionnent sur une plage de tension d'alimentation de 6,3 V à 32 V et une plage de température de -40 °C à +125 °C. Les pilotes BD1693x offrent un courant de sortie maximal de 1 A, un courant de sortie SDO de 5 mA et une température de jonction maximale de 150 °C. Ces pilotes sont fournis en 8 canaux et 6 canaux pour les applications automobiles.Caractéristiques
- Contrôle de sortie à trois modes :
- Haut, bas et impédance élevée
- Faible courant de veille
- Diode de protection intégrée contre la tension inverse de sortie
- Protection contre les surintensités (OCP) à l'étage d'alimentation VS
- Détection de sous-charge (ULD) à l'étage d'alimentation VS
- Protection contre les surtensions (OVP) avec mode OVDSEL à l'étage d'alimentation VS
- Verrouillage de sous-tension (UVLO) à l'étage d'alimentation VS
- Arrêt thermique (TSD)
- Avertissement thermique (TW)
- BD16938AEFV-C:
- 8 circuits à demi-pont
- BD16939AEFV-C:
- 6 circuits à demi-pont
Caractéristiques techniques
- Plage de tension d'alimentation de 6,3 V à 32 V
- Température de fonctionnement de -40 °C à +125 °C
- Courant de sortie maximal de 1 A
- Plage de tension d'alimentation électrique de -0,3 V à 40 V
- Température de jonction maximale 150 °C
Applications
- Électronique pour carrosserie automobile
- HVAC (chauffage, ventilation et climatisation)
- Rétroviseurs extérieurs
Ressources supplémentaires
Publié le: 2021-02-16
| Mis à jour le: 2022-03-11
