Renesas Electronics Matrice de signal mixte programmable GreenPAK SLG47011
La matrice programmable GreenPAK SLG47011 de Renesas Electronics offre une solution compacte et faible puissance pour les fonctions de conversion analogique-numérique et les fonctions à signal mixte couramment utilisées. Un système d'acquisition de données flexible utilisé en conjonction avec une logique configurable offre un moyen de mettre en œuvre une large variété de fonctions à un coût minimal. L'utilisateur peut créer une conception de circuit en programmant la mémoire non volatile (NVM) programmable à usage unique (OTP) et pour configurer la logique d'interconnexion, les macrocellules et les broches d'E/S. La matrice SLG47011 de Renesas Electronics est idéale pour l'électronique grand public, l'électronique portable, l'automatisation industrielle/le contrôle, les ordinateurs personnels/serveurs, les périphériques d'ordinateurs, la surveillance de la tension/du courant de la batterie et les moniteurs d'alimentation.Caractéristiques
- Convertisseur analogique-numérique SAR (CAN)
- Résolution sélectionnable de 14, 12, 10 et 8 bits
- Jusqu'à 2,35 Msps en mode 8 bits
- Échantillonnage jusqu'à 4 canaux analogiques
- Options de sortie I2C, SPI et en parallèle
- Amplificateur à gain programmable
- Sélection du gain de 1x à 64x
- Modes différentiels et monophasés
- Options MathCore - Multiplicateur, additionneur, soustracteur et décalage
- 4 tampons de données indépendants
- Longueur du tampon jusqu'à 8 mots de 16 bits
- Mode de suréchantillonnage (augmentation de la résolution du CAN)
- Mode moyenne mobile
- Mode de capture du compteur
- Macrocellule de tableau de mémoire de 4 096 mots x 12 bits
- Mode plage complète ou mode deux plages
- Linéarisation des données CAN ou toute fonction y = F(x)
- Modes ADDR-to-DATA/stockage
- Comparateur numérique multicanaux (MDCMP) de 16 bits
- Échantillonnage jusqu'à 4 canaux indépendants
- Seuil statique ou dynamique
- Option hystérésis pour chaque canal
- Macrocellule de modulation de largeur d'impulsion (MLI)
- Résolution 12 bits
- Changement dynamique rapport cyclique (jusqu'à 4 096 de valeur du rapport cyclique)
- Macrocellule convertisseur de largeur
- Sortie de données parallèle 12 bits
- Sortie facultative 12x 1 bit, 6x 2 bits ou 3x 4 bits
- Convertisseur numérique-analogique (CNA) 12 bits 333 kSPS
- Source de courant sélectionnable
- Tensions de référence intégrées (VREF)
- Comparateur analogique haute vitesse avec hystérésis et référence configurables
- Macroblocs de fonction de combinaison 18x
- Macroblocs LUT ou DFF/LATCH 2x2 bits
- LUT ou DFF/LATCH 8x3 bits avec configuration/réinitialisation
- 6 DFF/LATCH sélectionnables ou LUT 3 bits ou registres à décalage
- 2 LUT 4 bits ou DFF/LATCH avec macrocellule de réinitialisation/initialisation
- 14 macrocellules multifonctions
- 10 DFF/LATCH ou LUT 3 bits sélectionnables + délai/compteurs 12 bits
- 2 DFF/LATCH ou LUT 4 bits sélectionnables + délai/compteur/FSM 16 bits
- 1 DFF/LATCH ou LUT 3 bits sélectionnables + délai/compteur/FSM 12 bits
- Compteur de montée/descente avec contrôle de mémoire 12 bits
- Interfaces de communication SPI et I2C
- Délai programmable avec une sortie de détecteur périphérique
- Filtre anti-rebonds ou détecteur de bord
- 2 oscillateurs (OSC)
- Oscillateur 2 kHz/10 kHz
- Oscillateur 20 MHz/40 MHz
- Capteur de température analogique
- Réinitialisation à l'allumage (POR) avec CRC
- Protection de lecture (verrouillage de lecture)
- Alimentation électrique de 1,71 V à 3,6 V
- Plages de température de fonctionnement
- De -40 °C à +85 °C pour le SLG47011V
- De -40 °C à +105 °C pour le SLG47011-EV
- Boîtier STQFN à 16 broches, 2 0 mm x 2 0 mm x 0,55 mm, pas de 0,4 mm
- Sans halogène et Conforme à la directive RoHS
Applications
- Électronique grand public
- Électronique portable et portative
- Contrôle de procédé et automates industriels
- Ordinateurs et serveurs personnels
- Périphériques pour ordinateurs
- Surveillance de la tension et du courant de la batterie
- Moniteurs d’alimentation
Fiche technique
- SLG47011-E - Matrice programmable à signal mixte GreenPAK avec système d'acquisition de données analogique-numérique et plage de température étendue
- SLG47011 - Matrice programmable à signal mixte GreenPAK avec système d'acquisition de données analogique-numérique
Vidéos
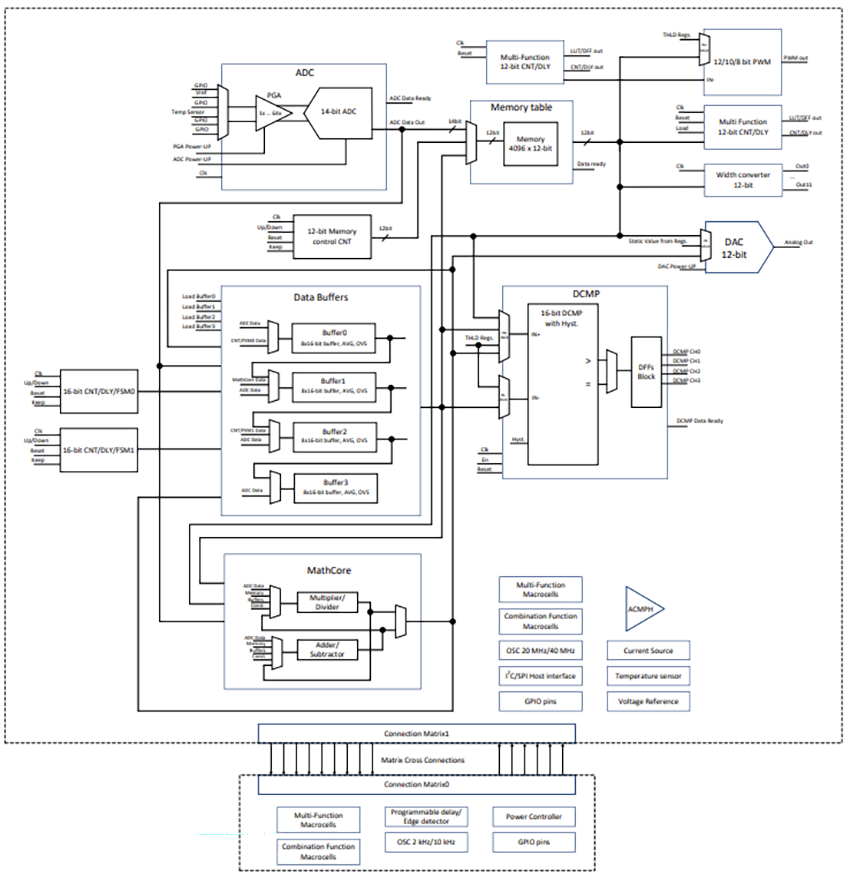
Schéma fonctionnel
Structure combinée de blocs analogiques/numériques
Publié le: 2025-09-02
| Mis à jour le: 2025-12-30
