Renesas Electronics Carte d'évaluation RAA211650
La carte d'évaluation RAA211650 de Renesas Electronics est utilisée pour évaluer le convertisseur Buck synchrone 60 V 5 A intégré RAA211650. Le régulateur dispose d'une fréquence de commutation réglable de 200 kHz à 2,5 MHz. Il prend en charge une vaste plage de tensions d'entrée comprises entre 4,5 V et 60 V ainsi qu'une tension de sortie réglable. Le RAA211650 est proposé sous la forme de pack QFN de 28 LD. La carte d'évaluation fonctionne à partir d'une tension d'alimentation de 4,5 V à 60 VDC avec la capacité de fournir une charge continue de 5 A.Caractéristiques
- Commutateur sélectionnable EN ou option permettant de le gérer par un signal externe
- Options de compensation interne et externe
- Options RT internes et externes
- Options de démarrage progressif interne et externe
- Synchronisation de fréquence et options de spectre élargi
- Options de délai ajustable
- Options de connexion EBIAS à VOUT ou système d'entraînement par une source externe
- Tension de sortie programmable avec des résistances externes de rétroaction
- Options permettant d'utiliser des résistances de rétroaction internes pour 3,3 V VOUT
- Connecteurs et points de test permettant de faciliter le sondage et l'acquisition de données
Caractéristiques techniques
- Plage de tensions d'entrée comprises entre 4,5 V et 60 V
- Tension de sortie de 3,3 V
- Capacité de courant de sortie jusqu'à 5 A
- Fréquence de commutation interne définie à 500 kHz
- Compensation interne
- Démarrage progressif interne de 2 ms
- Délai de démarrage/arrêt de 2 ms
- EBIAS est connecté à VOUT
- Plage de températures de fonctionnement : de -40°C à +125°C
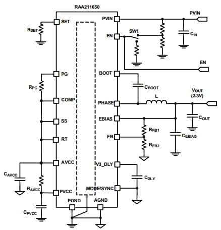
Schéma fonctionnel
Publié le: 2021-09-01
| Mis à jour le: 2023-04-28
