Renesas Electronics Doubles amplificateurs opérationnels READ2302G
Les doubles amplificateurs opérationnels READ2302G de Renesas Electronics offrent une haute capacité de transmission et une vitesse de balayage élevée. Le READ2302G dispose d'une tension d'alimentation de fonctionnement minimale de 2,5 V et d'une vaste plage de températures ambiantes comprises entre -40°C et +105°C. Les doubles amplificateurs opérationnels READ2302G de Renesas Electronics sont disponibles sous la forme d'un pack TSSOP à 8 broches ultra-compact.Caractéristiques techniques
- Fonctionnement à alimentation simple basse tension VDD = 2,5 V à 5,5 V
- Faible tension de décalage en entrée VIO ≤ ±6,0 mV
- Faible courant de polarisation en entrée IB≤ (1 Pa)
- Vaste plage de tensions de sortie VOUT: VSS+0,1 V à VDD -0,1 V (à Io=5 mA)
- Courant d'alimentation (par canal) IDD = 0,75 mA std.
- Vitesse de balayage élevée
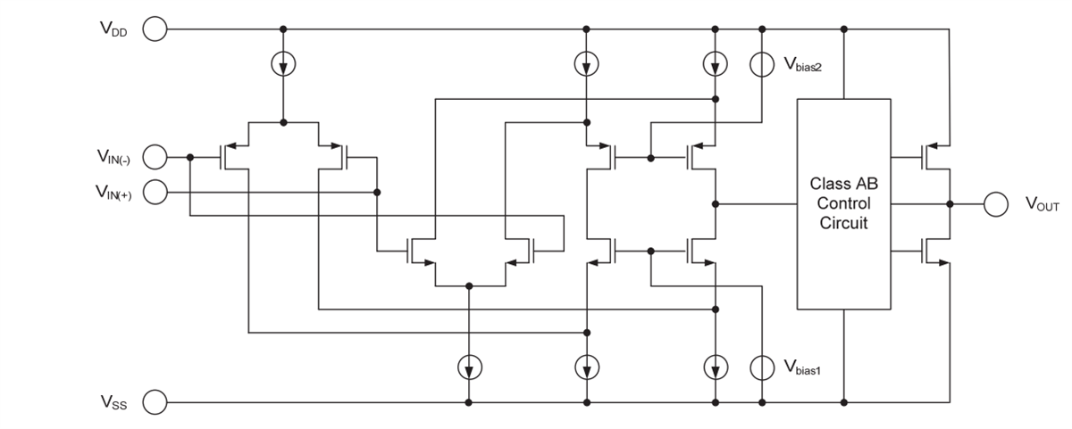
Circuit équivalent
Disposition des broches
Publié le: 2020-09-18
| Mis à jour le: 2022-03-11
