Renesas Electronics Générateur d'horloge FemtoClock™ RC22112A
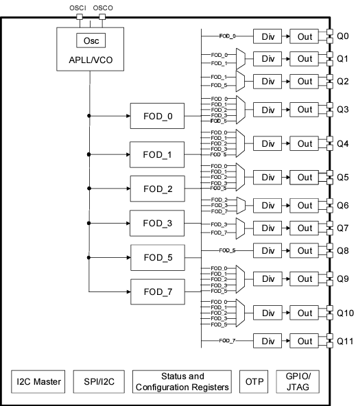
Le générateur d'horloge FemtoClock™ RC22112A de Renesas Electronics est générateur d'horloge PCIe Gen 1-6 C entièrement intégré, à faible puissance et haute performance. Ce générateur prend en charge PCIe Gen 1-6 CC, SRIS, SRNS et une faible gigue inférieure à 100 fs-RMS . Le générateur RC22112A prend en charge le port série I2C 1 MHz, SMBus 400 kHz ou SPI 50 MHz, jusqu’à six diviseurs de sortie fractionnaires et 12 diviseurs de sortie entiers. Ce générateur d'horloge fournit des horloges de référence pour les liaisons série à grande vitesse jusqu'à 28 Gbps ethernet dans les cartes réseau des équipements des centres de données. Les applications standards comprennent les commutateurs/routeurs, la génération d'horloge pour les PHY Ethernet 10 Gbit/s / 25 Gbit/s / 40 Gbit/s / 100 Gbit/s / 200 Gbit/s / 400 Gbit/s dans les cartes réseau de commutation, l'imagerie médicale, l'audio et la vidéo professionnels.Caractéristiques
- Faible puissance, inférieure à 1,4 W standard
- Faible gigue, moins de 100 fs-RMS
- Prise en charge PCIe Gen 1-6 CC, SRIS et SRNS
- Jusqu'à six diviseurs de sortie fractionnaires et 12 diviseurs de sortie entiers
- Chaque diviseur de sortie fractionnaire fonctionne librement et est verrouillé sur l'APLL
- Chaque diviseur de sortie fractionnaire peut être configuré comme oscillateur contrôlé numériquement (DCO/NCO)
- Modes de sortie LVCMOS, LVPECL, LVDS, HCSL, CML, SSTL et HSTL pris en charge avec oscillation de sortie et tension de mode commun programmables
- Une entrée cristal/XO
- Jusqu'à neuf broches GPIO programmables pour sélectionner le dispositif ou les options de surveillance du système
- Prend en charge le port série I2C 1 MHz, SMBus 400 kHz ou SPI 50 MHz
- La mémoire interne non volatile (jusqu’à 16 configurations différentes) ou l’EEprom série I2C externe fournit les paramètres par défaut du composant à la mise sous tension
- Cœur de 2,5 V et 3,3 V et sortie de 1,8 V, 2,5 V et 3,3 V
- Plage de températures de fonctionnement industrielles de 40 °C à 85°C
Applications
- Commutateurs/routeurs
- Génération d'horloge pour les PHY Ethernet 10 Gbit/s / 25 Gbit/s / 40 Gbit/s / 100 Gbit/s / 200 Gbit/s / 400 Gbit/s dans les cartes réseau de commutation
- Imagerie médicale
- Audio et vidéo professionnels
Schéma fonctionnel
Schéma d'application
Ressources supplémentaires
- Génération d’un fichier TCS à l’aide de l’Assistant liste de fréquences dans Timing Commander
- Oscillateurs à quartz recommandés pour la synchronisation réseau
- Convertisseur temps-numérique (TDC) ClockMatrix
- Alignement des horloges 1 pps dans les systèmes à châssis plus large
- Méthodes de modification des paramètres DPLL pendant une commutation de référence
- Mappage des broches du dispositif d’horloge aux numéros d’horloge dans le 8A34001
- Traduction de fréquences non entières
- Mise à jour du micrologiciel ClockMatrix via le port série et l’EEprom v1.0
- Mesure et compensation de variation de délai
- Arrière-plan de l’alignement temporel dans l’infrastructure sans fil
- Heure de la journée dans un système basé sur châssis idéal
- Minimiser l’utilisation de signal de fond de panier
- Ajustements de phase entrée/entrée-sortie/sortie
- ClockMatrix sur la redondance nCXO
- APERÇU DE CLOCKMATRIXTM
- Interface graphique ClockGuard™ pas à pas
Publié le: 2023-05-02
| Mis à jour le: 2023-09-01
