Renesas Electronics Multiplexeurs et tampons d'horloge RC192xxA PCIe Gen5/6
Les multiplexeurs et tampons d'horloge Gen5/6 PCIe RC192xxA de Renesas Electronics disposent d'une gigue additive ultra-faible et de trois options de chemin de signal pour une flexibilité de conception. Les terminaisons source intégrée de 85 Ω ou 100 Ω économisent jusqu'à 64 résistances externes pour la variante de multiplexeur à 16 canaux. L'interface série haut débit (SBI) prend en charge l'activation de sortie et la mise en guirlande du dispositif. La sécurité du système sur le RC192xxA est assurée par une protection en écriture SMBus.Les multiplexeurs et tampons d'horloge PCIe Gen5/6 RC192xxA de Renesas offrent une température de fonctionnement étendue dans un petit boîtier.
Caractéristiques
- Faible gigue de phase additive
- Gigue de phase additive 7fs RMS PCIe Gen5
- Gigue de phase additive 4fs RMS PCIe Gen6
- Délai de propagation in-out maximal <1,7 ns
- Entrée tolérante à la mise hors tension (PDT) et séquençage de puissance flexible (FPS)
- Stationnement automatique de l'horloge (ACP)
- Options multiplexées 2:N ou (1:N/2) x2
- Interface à bande latérale 4 fils
- 9 adresses SMBus sélectionnables
- Protection en écriture SMBus
- Impédance de sortie de 85 Ω ou 100 Ω par réglage de barrette de broche
- Fonctionnement de -40 ºC à +105 °C, 3,3 V±10 %
Applications
- Informatique haute performance/cloud
- Stockage nVME
- Applications réseaux
- Accélérateurs
- Informatique
- Industrial7
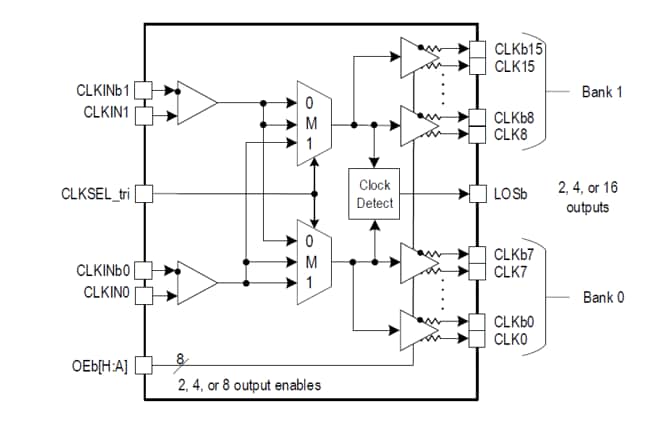
Schéma de principe
Publié le: 2022-01-24
| Mis à jour le: 2022-03-11
