Renesas Electronics CI de commande de moteur RAJ30610x
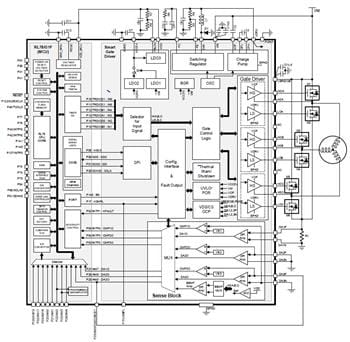
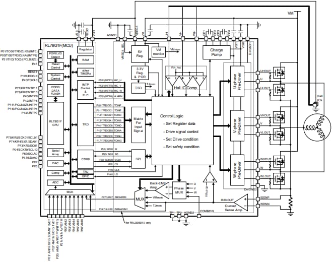
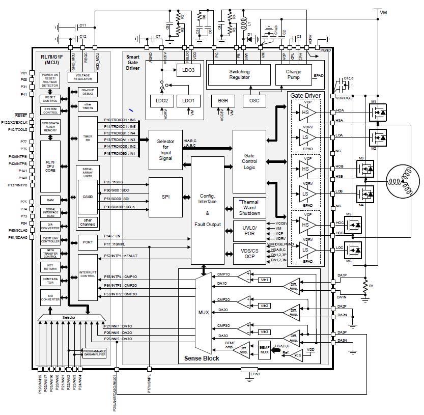
Les circuits intégrés (CI) de commandes de moteur RAJ30610x de Renesas Electronics sont conçus pour les moteurs triphasés brushless CC. Le CI RAJ30610x de Renesas Electronics est doté d’un microcontrôleur (MCU) intégré (RL78/G1F) et d’un pré-pilote avec des fonctionnalités telles que trois commandes de grilles demi-pont, un régulateur de 5 V et un amplificateur de détection de courant. Le RAJ306102 regroupe un pilote de grille intelligent (RAA306012) et un MCU (RL78/G1F) dans un seul boîtier. Le pilote de grille intelligent comprend trois pilotes de grille à demi-pont, un régulateur de commutation buck, une pompe de charge pour la tension de commande de grille et deux LDO pour les circuits internes.Caractéristiques
- RAJ306001
- Tension d’alimentation de fonctionnement de 6 V à 30 V
- RAJ306001 TA= température de fonctionnement de -40 °C à +85 °C
- RAJ306001Z TA= -40 °C à +105 °C
- Faible consommation d’énergie courant VM (à l’exclusion du régulateur et de la pompe de charge 5V/7V) : [microcontrôleur (MCU) bloc] : +5,2 mA (mode HS : fIH= 32 MHz, VDD = 5 V) [pré-pilote bloc] : + 13,5 mA [VM = 22,5 V] VM courant de veille : 64 µA (std.)
- CPU CISC 16 bits (RL78/G1F)
- 64 ko, mémoire flash de données : 4 ko, RAM : 5,52 ko ROM Flash
- 2 canaux, SPI, 2 canaux, IIc, 2 canaux, UART : 1 canal GSI
- Minuteurs : Unité de matrice de minuteur : 1 unité - 16 bits, 4 canaux
- Minuterie RD pour commande de moteur – 16 bits, 2 canaux
- Minuterie RG avec fonction d'encodage– 16 bits, 1 canal
- Minuterie de capture d'entrée de commande moteur 64 MHz (minuterie RX)
- Convertisseur A/CC à résolution 10 bits : 9 canaux
- GPIO : 28 canaux, port d’entrée : 2 canaux
- Régulateur 5 V intégré
- RAJ306102
- Tension d’alimentation de fonctionnement
- VBRIDGE : 6 V à 65 V (78 V max. abs)
- Tension max. (VM) : 6 V à 60 V (65 V max. abs)
- Température ambiante de fonctionnement de -40 °C à 105 °C
- Courant d'alimentation
- MCU, courant VDD
- Mode HS, fIH= 32MHz : 5,2 mA
- Pilote de grille intelligent
- Mode de fonctionnement : 2 mA, mode veille : 28 μA
- MCU, courant VDD
- Fonctions de protection étendues
- CPU CISC 16 bits
- 64 KB, mémoire flash de données : 4 ko, RAM : 5,5 ko
- Unité de réseau série : 2 unités (CSI : 2 canaux, UART : 1 canal, I2C : 2 canaux)
- GPIO : 29 canaux — E/S : 27 canaux, entrée : 2 canaux
- Unité de matrice de minuteurs : 1 unité - 16 bits, 4 canaux
- Entrée du convertisseur A/N à résolution 10 bits : 11 canaux
- Entrée d’interruption externe : 10 canaux
- Tension d’alimentation de fonctionnement
Applications
- Outils électriques sans fil
- Équipement d’alimentation extérieur
- Aspirateurs
- Ventilateurs
- Pompes
- Robotique
- Équipements médicaux
Publié le: 2023-12-05
| Mis à jour le: 2024-01-25
