Renesas Electronics Contrôleurs Buck synchrones 3 niveaux RAA48930x
Les contrôleurs Buck synchrones 3 niveaux RAA48930x Renesas Electronics sont développés pour une topologie Buck 3 niveaux qui offre une excellente efficacité et réduit considérablement l' inductance nécessaire pour réguler la tension de sortie. La conception innovante réduit les pertes d'énergie et la taille du système, ce qui le rend idéal pour des applications compactes et haute performance.Le Renesas RAA48930x offre des performances thermiques supérieures en réduisant la génération de chaleur et en minimisant les pertes de puissance lors de la commutation. Les dispositifs réduisent le stress thermique, améliorant ainsi la fiabilité du système et prolongeant la durée de vie du produit. De plus, le RAA48930x présente des exigences de refroidissement réduites avec une dissipation de chaleur moindre, ce qui se traduit par des solutions de refroidissement plus petites et permet d'économiser de l'espace et des coûts.
Les contrôleurs RAA48930x implémentent une architecture peu encombrante dans une conception compacte, réduisant l'empreinte du PCB. Le dispositif offre une évolutivité flexible, s'adaptant facilement à divers niveaux de puissance et aux exigences des applications. La technologie R3™ améliorée de Renesas avec équilibre volant de la tension de condensateur fournit une alimentation électrique très efficace et rapide réponse transitoire.
Caractéristiques
- Configuration Buck 3 niveaux avec une seule inductance
- Pumpe de charge interne pour la commande de grille 5 V ou 10 V avec EXT5V
- Mode de passage dans les directions avant ou arrière
- Transitions fluides entre CV, CC, CL et CV dans les boucles
- CAN numérique intégré à 8 bits pour la télémétrie numérique
- Entrée basée sur le matériel et moniteur courant de sortie
- Boîtier TQFN 4 x 4 32 fils
Applications
- Outils électriques
- Aspirateurs portables
- Tondeuses à gazon
- Stations d'accueil
- Industrie
- Grand public
- Chargeur USB-PD multiports
- Solution d'alimentation portable
- Station d'accueil PC
- Robots et drones
Courbes d’efficacité
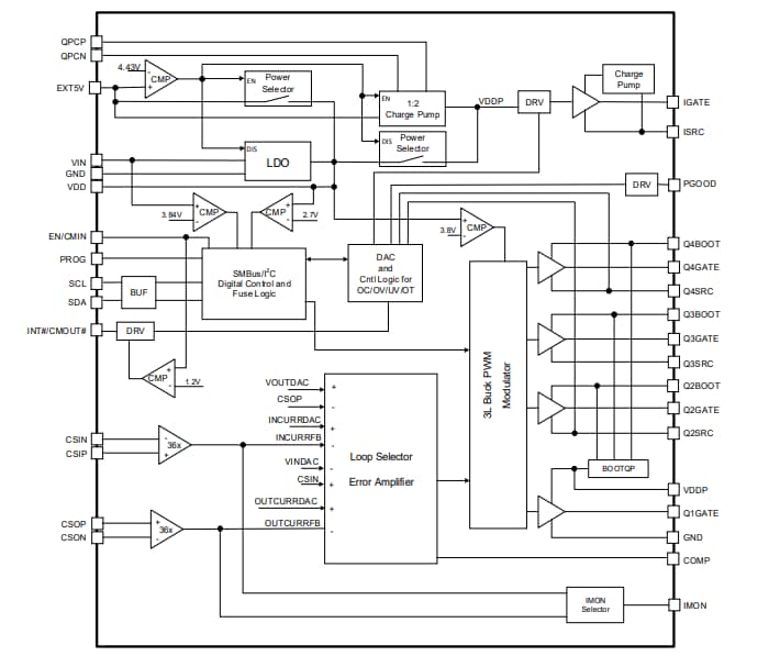
Schéma fonctionnel
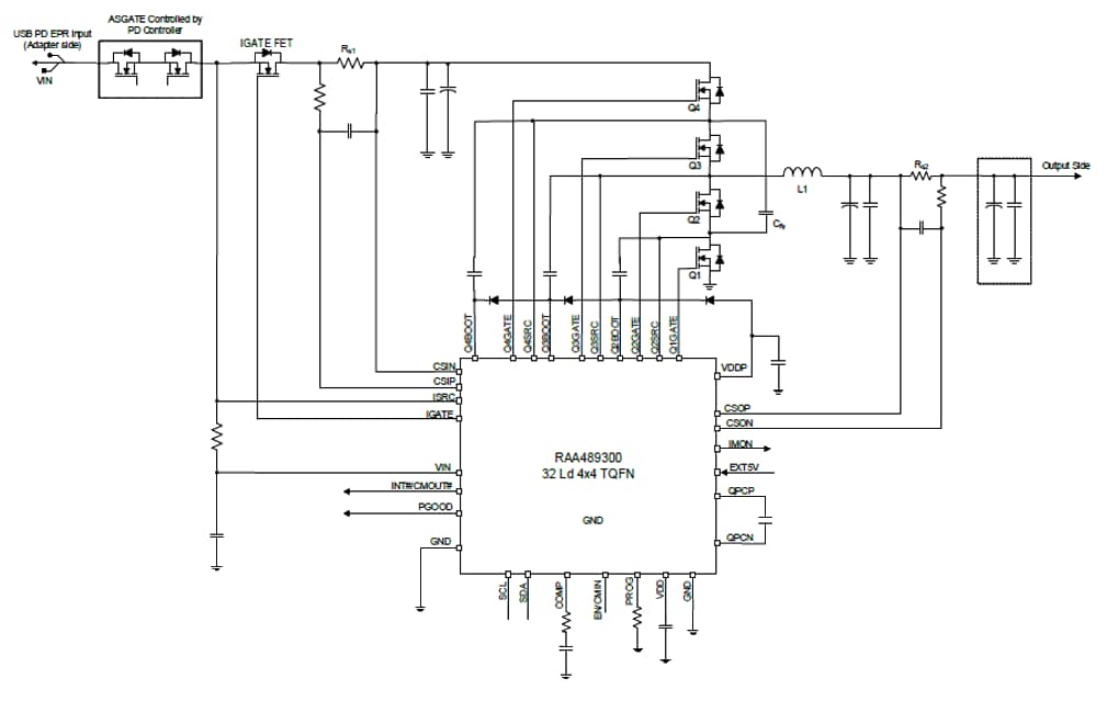
Application standard du RAA489300
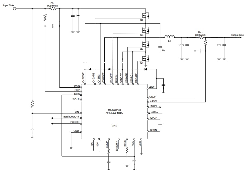
Application standard du RAA489301
