Renesas Electronics Pilote de grille intelligent triphasé RAA306012
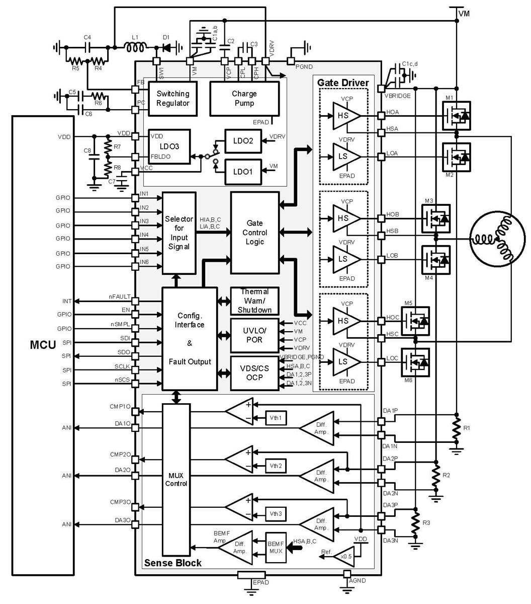
Le pilote de grille intelligent triphasé RAA306012 de Renesas est conçu pour une utilisation avec des moteurs CC brushless triphasés. Le RAA306012 de Renesas intègre trois pilotes de grille à demi-pont, capables de piloter jusqu’à trois ponts MOSFET à canal N avec une plage de tension de 6 V à 65 V. Chaque pilote de grille prend en charge un courant de crête source de 0,64 A et absorbé de 1,28 A avec un contrôle de la puissance de commande programmable. Les temps morts adaptatifs améliorent la robustesse, empêchant la conduction croisée induite par les effets Miller. Le dispositif intègre des alimentations pour circuits internes, des pilotes de grille et une alimentation dédiée pour les microcontrôleurs externes. De plus, il dispose d’un mode veille à faible puissance, consommant seulement 28μA pour une durée de vie accrue de la batterie dans les applications portables.Caractéristiques
- Tension d’alimentation de fonctionnement
- VBRIDGE : 6 V à 65 V (78 V max. abs.)
- VM : 6 V à 60 V (65 V max. abs.)
- Température ambiante de fonctionnement de -40 °C à 125 °C
- Pilotes de grille triphasé pour application BLDC
- Plage de fréquence de commutation jusqu’à 200 kHz
- Courant de crête source/absorbé de 0,64 A/1,28 A avec 16 niveaux de puissance de commande programmables via l’interface SPI
- Temps mort adaptatif et réglable
- Configuration flexible pour le pilote de grille
- Mode HI/LI triphasé et mode PWM triphasé
- Configuration du signal de commande d’entrée
- Prend en charge la configuration demi-pont, pont complet
- Architecture d’alimentation entièrement intégrée
- Deux LDO VCC permettent un mode veille avec un faible IQ
- Le régulateur de commutation Buck de 500 mA génère une tension d’entraînement (réglable de 5V à 15V)
- LDO de sortie réglable de 100 mA pour alimentations de microcontrôleur
- Trois amplificateurs différentiels de précision
- Quatre niveaux de réglage du gain de détection
- Prend en charge l’étalonnage du décalage CC pendant la mise sous tension et à la volée
- Amplificateur de détection BEMF pour commande de moteur sans capteur
- Trois comparateurs pour commande de moteur avec capteur hall
- Caractéristiques de protection intégrées
- Verrouillage de surtension/sous-tension VM (VM _ OV/UVLO)
- Sous-tension de pompe de charge (VCP _ UV)
- Défaut du convertisseur Buck (VDRV _OV/UV, SR_OCP)
- OCP de VDS MOSFET (VDS _ OCP)
- OCP de détection de courant (CS _ OCP)
- Défaut de VGS MOSFET (VGS _ fault)
- Avertissement/arrêt thermique (TWARN/OTSD)
- Indicateur de défaut (broche nFAULT)
- Boîtier QFN 48 fils de 7 mm × 7mm (pas de 0,5 mm)
Applications
- Outils électriques et outils de jardin
- Imprimantes
- Aspirateurs
- Ventilateurs
- Pompes
- Robotique
Ressources supplémentaires
Vidéos
Circuits d’application standard
Publié le: 2023-12-05
| Mis à jour le: 2024-02-07
