Renesas Electronics IC >>> CI (context: Integrated Circuit) (PMIC) de gestion de l'alimentation RAA271082
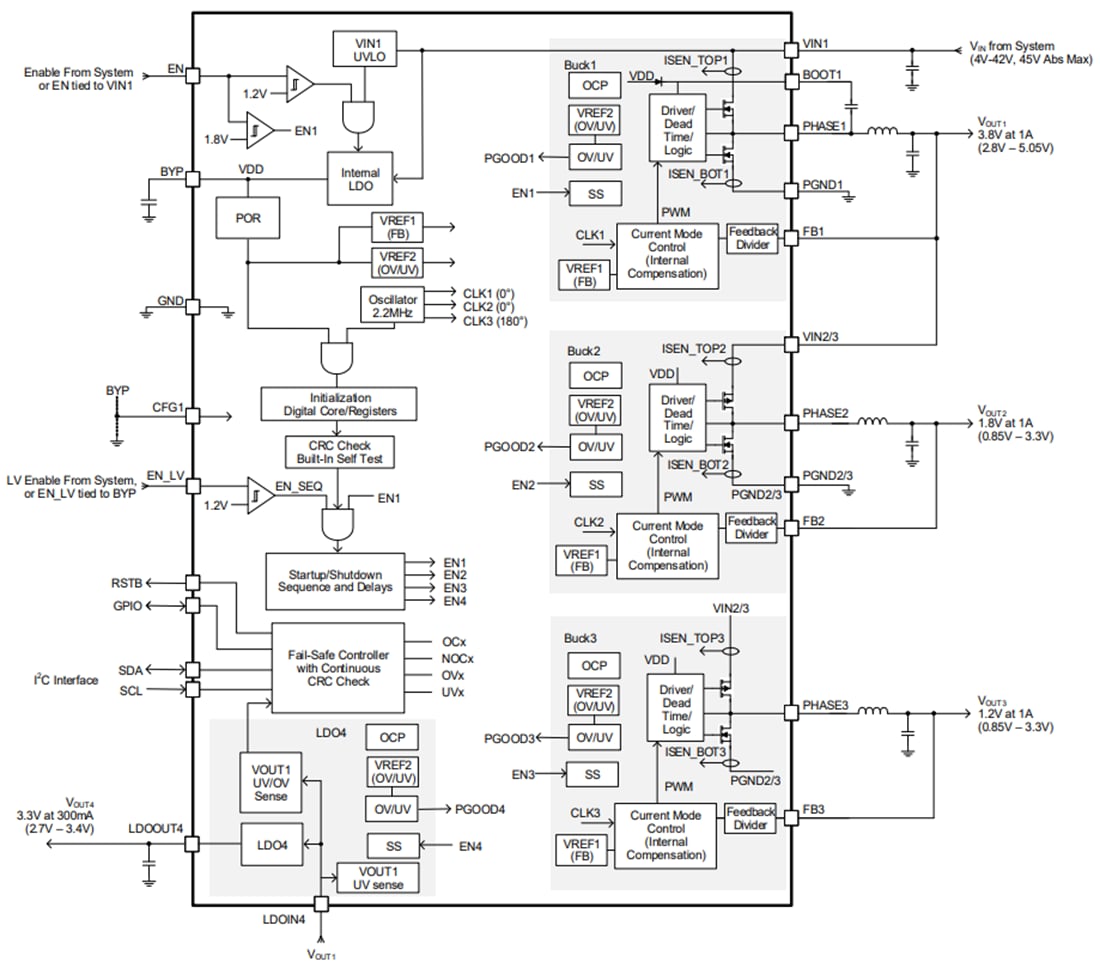
Le circuit intégré de gestion de l'alimentation (PMIC) RAA271082 de Renesas Electronics est un circuit intégré polyvalent à plusieurs rails comprenant un convertisseur buck synchrone haute tension principal, un régulateur LDO et deux convertisseurs buck synchrones basse tension secondaires. Le PMIC de Renesas offre quatre moniteurs de sous-tension et de surtension, une broche d'E/S à usage général, des communications I2C et une sortie de réinitialisation/indicateur de défaut dédiée. Le RAA271082 répond aux critères de dispositif ASIL-B, ayant été conçu en utilisant un processus de développement ASIL-D ISO 26262. Le RAA271082 comprend un autotest intégré à la mise sous tension, une surveillance OV/UV indépendante, une deuxième référence de bande interdite pour les moniteurs OV/UV et une vérification continue des erreurs CRC sur les communications I2C et les registres internes.Le RAA271082 offre une solution d'alimentation de haute densité nécessitant un espace minimal sur la carte et peu de composants externes. Il offre un ensemble étendu de caractéristique configuré utilisant ma mémoire programmable interne à usage unique (OTP). Presque toutes les options de dispositif telles que le séquençage de puissance de chaque sélection de tension de sortie et les seuils OV/UV, ne nécessitent aucun composants externes pour la sélection et sont configuré en interne. Les régulateurs offrent une compensation interne. Les bucks peuvent fonctionner dans des environnements difficiles nécessitant des températures ambiantes élevées et sont synchrone pour atteindre la haute efficacité.
Le RAA271082 de Renesas Electronics possède un pad exposé pour des performances thermiques améliorées et est disponible dans un boîtier QFN (SCQFN) 4 mm x 4 mm à 24 fils avec étape en acier. Ce PMIC fonctionne dans une plage de température ambiante de -40 °C à +125 °C et est qualifié AEC-Q100 de niveau 1. Le dispositif est spécifié électriquement dans une plage de température de jonction de -40 °C à +150 °C.
Caractéristiques
- Processus de développement ASIL-D ISO 26262
- Plage de fonctionnement du VIN : de 4,0 V à 42 V, avec une plage de départ de 4,5 V à 42 V
- Fréquence de commutation fixe de 2,2 MHz avec spectre pseudo-aléatoire en option
- Trois bucks synchrones avec compensation interne et un LDO
- Plage de sortie du convertisseur série 1 de 2,8 V à 5,05 V, jusqu'à 1 A
- Plage de sortie des convertisseurs série 2/3 de 0,85 V à 3,3 V, jusqu'à 1 A
- Plage de sortie du LDO 4 de 2,7 V à 3,4 V, jusqu'à 300 mA
- Seuils UV/OV OTP de ±4 %, ±6 %, ±8 % et ±12 %
- Séquence de mise sous tension/hors tension OTP et retard
- Décharge de sortie facultative sur Buck 2, Buck 3 et LDO 4
- Broches GPIO broche configurable
- PINS EN doubles
- Caractéristiques de protection
- UVLO de tension d'entrée
- OV/UV de sortie
- Protection contre les surintensités sur les LDO internes et de sortie
- Arrêt en cas de surchauffe
- Caractéristiques de sécurité fonctionnelle
- Test intégré (BIST) lors de la mise sous tension
- Double bande interdite/chaînes de référence
- Voie de détection UV/OV indépendante pour la sortie Buck 1
- Minuteur watchdog configurable avec fenêtre (WWDT)
- Vérification continue de la CRC des registres d'ombre OTP
- Communication I2C protégée par CRC
- Gestionnaire de défaut configurable
- Qualifié AEC-Q100, Grade 1 [-40 °C à +125 °C (TJ = 150 °C)]
Applications
- Caméras de surveillance conducteur
- Caméras automobile HD de vision arrière et panoramique
- Microcontrôleurs PMIC pour systèmes de gestion de batterie
- Microcontrôleurs PMIC pour contrôleurs de zone et de domaine
- Microcontrôleurs PMIC pour unités de passerelle
Schéma fonctionnel
