Renesas Electronics Dispositif de puissance intelligent R2A25110KSP
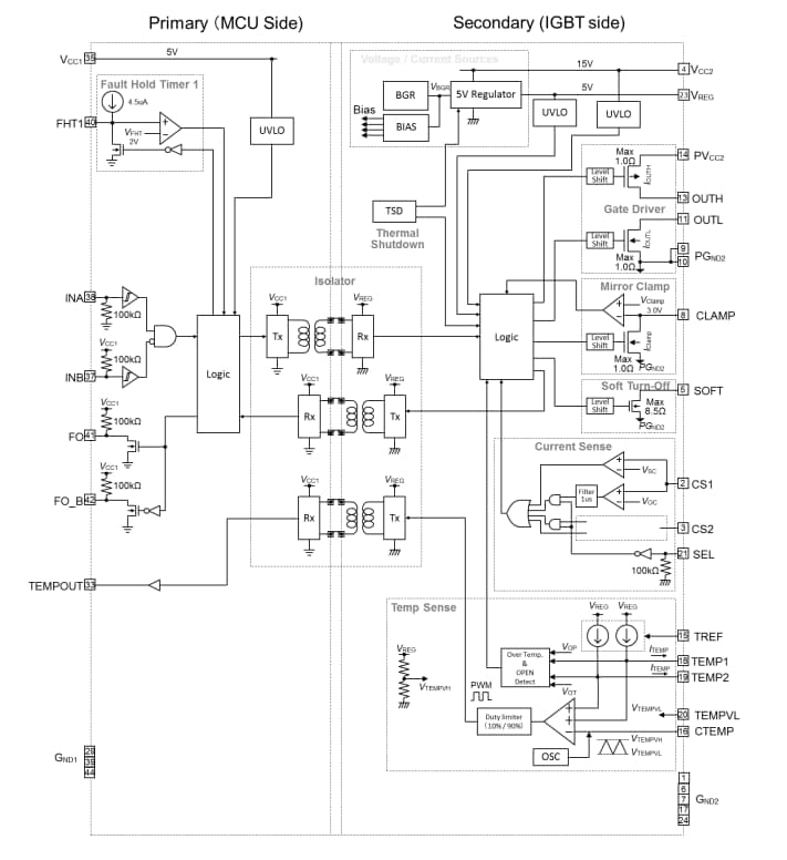
Le dispositif de puissance intelligent R2A25110KSP est conçu pour la commande de grille IGBT dans une application d'onduleur haute tension. Le micro-isolateur avec la configuration de transformateur sans cœur est mis en œuvre pour le transfert de données avec une isolation haute tension entre le circuit primaire (côté MCU) et le circuit secondaire (côté IGBT).Le dispositif de puissance intelligent R2A25110KSP de Renesas intègre un circuit de commande de grille IGBT, un circuit de pince Miller, un circuit d'arrêt progressif et plusieurs types de circuits de protection, tels que la détection de température IGBT. De plus, le R2A25110KSP prend en charge le pilotage d'IGBT parallèles.
Caractéristiques
- Micro isolateur sur puce (circuit isolé)
- Isolation haute tension de 2 500 VRMS
- Réjection élevée en mode commun (CMR) sur 35 kV/us
- Isolation haute tension de 2 500 VRMS
- Circuit de commandes de grille à haut rendement
- Résistance de sortie du pilote de grille de 1,0 Ω maximum (connexion parallèle IGBT prise en charge)
- Fonction de pince Miller active sur puce
- Fonction d'arrêt progressif sur puce
- Plage de températures de fonctionnement de -40 °C à +125 °C (température de jonction de +150 °C maximum)
- Régulateur 5 V sur puce
- Divers circuits de protection sur puce
- Circuit de détection de courant d'émetteur IGBT à 2 canaux
- Détection de surintensité (tension de seuil : 0,25 V typique), détection de court-circuit (tension de seuil : 0,5 V typique)
- La fonction de détection de surintensité peut être activée/désactivée (broche SEL)
- Circuit de détection de température IGBT à deux canaux
- Circuit de verrouillage sous tension sur puce
- VCC1 (système5 V) de 4,1 V standard
- VCC2 (système15 V ) de 10 V standard
- Circuit de protection contre la surchauffe sur puce (+200 °C)
- Rétroaction des défaillances, temps de maintien des défaillances réglable avec le condensateur externe
Applications
- Onduleurs principaux pour véhicules électriques et hybrides dans les applications automobiles
- Convertisseurs pour véhicules électriques et hybrides dans les applications automobiles
- Onduleurs et convertisseurs pour instruments industriels
Schéma fonctionnel
Publié le: 2023-05-05
| Mis à jour le: 2023-06-20
