Renesas Electronics Double ISL81807 contrôleur Boost synchrone 80 V
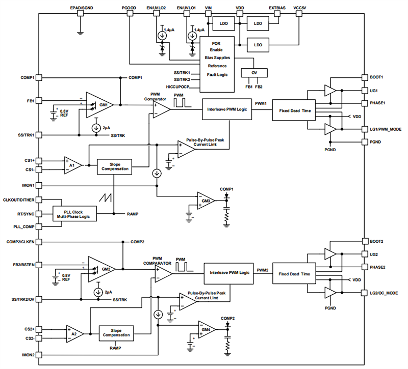
Le double contrôleur Boost synchrone ISL81807 80 V de Renesas Electronics crée deux sorties indépendantes ou une sortie à deux phases entrelacées pour diverses applications industrielles et générales. Avec de larges plages de tension d’entrée/sortie, le contrôleur est adapté aux télécommunications, aux centres de données et aux applications informatiques. Le ISL81807 fournit une tension de pilote de grille de 5,3 V. Avec un petit réglage du temps mort, le contrôleur est idéal pour les dispositifs FET GaN en mode E.Le boîtier TQFN ISL81807 32-plomb 5 mm x 5 mm utilise un contrôle du mode courant de crête avec entrelacement de phase pour les deux sorties. Chaque sortie dispose d’un moniteur de courant, d’un régulateur de tension et d’un régulateur de courant moyen pour offrir un contrôle indépendant de la tension et du courant moyen. Un oscillateur interne à boucle à verrouillage de phase (PLL) garantit un paramétrage précis de la fréquence de 100 kHz à 2 MHz. L’oscillateur peut être synchronisé avec un signal d’horloge externe pour la synchronisation de fréquence et les applications de mise en parallèle d’entrelacement de phase. Ce circuit PLL émet un signal d’horloge programmable par décalage de phase pour la synchronisation en cascade multiphase avec le décalage de phase d’entrelacement requis.
L'ISL81807 de Renesas dispose d’un démarrage progressif programmable, de fonctions d’activation de seuil précises et d’un indicateur de bonne alimentation pour simplifier le séquençage du rail d’alimentation. Pour assurer une haute fiabilité, le composant fournit des caractéristiques de protection complètes telles qu'OVP, UVP, OTP et une limite de courant moyen/crête sur les deux sorties.
Caractéristiques
- Large plage de tension d’entrée de 4,5 V à 80 V
- Large plage de tension de sortie de 5 V à 80 V
- Tension de pilote de grille de 5,3 V
- 4 pilotes FET
- Contrôle de boucle de rétroaction de courant et de tension de sortie constants
- Amélioration du rendement à faible charge, émulation de diode à faible ondulation et fonctionnement en mode rafale
- Démarrage progressif programmable
- Prend en charge le démarrage dans les rails pré-polarisés
- Plage de fréquence programmable de 100 kHz à 2 MHz
- Prend en charge le partage de courant avec entrelacement de phase en cascade
- Synchronisation d'horloge externe
- Horloge avec angle de phase précis contrôlé par PLL ou variation de fréquence
- Indicateur PGOOD
- Moniteur de courant d’entrée
- Mode sélectionnable parmi MLI/DE/rafale
- Seuil EN/UVLO précis de ±2 %
- Faible courant d’arrêt de 5 µA
- Protections OCP (mode par impulsion et mode courant constant ou hoquet en option), OVP, OTP et UVP
Applications
- Télécommunications
- Serveurs et centres de données
- Électronique automobile
- Équipements industriels
- Systèmes électriques
Application standard
Schéma fonctionnel
