Renesas Electronics Double contrôleur Buck synchrone ISL81806 80 V
Le double contrôleur Buck synchrone ISL81806 80 V de Renesas Electronics est basé sur le GaN en mode E et crée deux sorties indépendantes ou une sortie à deux phases entrelacées. L'ISL81806 fournit une tension de pilote de grille de 5,3 V pour les applications de dispositif à GaN en mode E. Grâce à ses larges plages de tension d’entrée et de sortie (jusqu’à 80 V), le contrôleur est adapté aux télécommunications, aux centres de données et aux applications informatiques.Le ISL81806 utilise un contrôle du mode courant de crête avec entrelacement de phase pour les deux sorties. Chaque sortie dispose d’un moniteur de courant, d’un régulateur de tension et d’un régulateur de courant moyen pour fournir un contrôle indépendant des tension et courant moyens. Un oscillateur interne à boucle à verrouillage de phase (PLL) garantit un paramétrage précis de la fréquence de 100 kHz à 1 MHz. L’oscillateur peut être synchronisé avec un signal d’horloge externe pour la synchronisation de fréquence et les applications de mise en parallèle d’entrelacement de phase. Ce circuit PLL produit un signal d’horloge programmable par décalage de phase qui est étendu à trois, quatre et six phases.
L'ISL81806 en boîtier TQFN de 5 mm x 5 mm à 32 fils (avec EPAD) de Renesas dispose de fonctions de démarrage progressif programmables, d’activation de seuil précise et d’un indicateur de bonne alimentation pour simplifier le séquençage du rail d’alimentation. Le dispositif fournit également des caractéristiques de protection complètes telles qu'OVP, UVP, OTP et OCP sur les deux sorties.
Caractéristiques
- Large plage de tension d’entrée de 4,5 V à 80V
- Large plage de tension de sortie de 0,8 V à 76 V
- Tension de pilote de grille de 5,3 V
- 4 pilotes FET
- Sorties doubles entrelacées ou une seule sortie avec fonctionnement biphasé entrelacé
- Plage de fréquence programmable de 100 kHz à 2 MHz
- Contrôle de boucle de rétroaction de courant et de tension de sortie constants
- Amélioration du rendement à faible charge, émulation de diode à faible ondulation et fonctionnement en mode rafale
- Démarrage progressif programmable
- Prend en charge le démarrage dans les rails pré-polarisés
- Prend en charge le partage de courant avec entrelacement de phase en cascade
- Synchronisation d'horloge externe
- Horloge avec angle de phase précis contrôlé par PLL ou variation de fréquence
- Indicateur PGOOD
- Moniteur de courant de sortie
- Mode sélectionnable parmi MLI/DE/rafale
- Seuil EN/UVLO précis de ±2 %
- Faible courant d’arrêt de 5 A
- OCP (mode par impulsion et mode courant constant ou hoquet en option), OVP, OTP et UVP
Applications
- Télécommunications
- Serveurs et centres de données
- Électronique automobile
- Équipements industriels
- Systèmes électriques
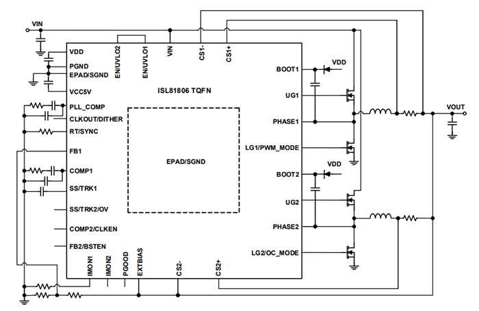
Application standard
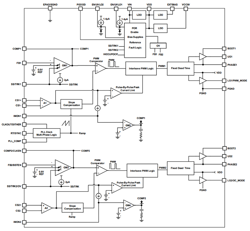
Schéma fonctionnel
