Renesas Electronics Contrôleur Buck et Boost pour démarrage à froid ISL78263
Le contrôleur Buck et Boost pour démarrage à froid ISL78263 de Renesas Electronics est un composant à double contrôleur qui prend en charge deux canaux CC-CC, élévateur et abaisseur, chacun prenant en charge plusieurs configurations. Le canal 1 fonctionne comme un convertisseur Buck et peut être configuré comme un circuit élévateur fixe de 3,3 V, fixe de 5,0 V ou comme une tension de sortie réglable de 0,8 V à 5,0 V. Le canal 2 est un circuit élévateur qui peut être configuré pour fonctionner en élévateur individuel et élévateur pour démarrage à froid. L'ISL78263 est conçu pour prendre en charge les systèmes automobiles qui doivent continuer à fonctionner en cas de perte de niveau de batterie. Le régulateur de surtension canal 2 maintient le rail de tension pour alimenter le convertisseur Buck canal 1, qui doit rester en régulation lorsque la batterie subit une perte de niveau. Les étages Boost et Buck peuvent également être entièrement indépendants.L'élévation du canal 2 en mode élévateur de démarrage à froid dispose d'une sortie réglable et est actif lorsque 2,1 V <VBAT <8 V pendant la période de démarrage à froid. La tension de sortie du canal 2 alimente l'abaissement du canal 1. Cela peut être configuré en 3,3 V ou 5 V fixe avec une connexion directe de FB1 à VOUT1 ou réglable de 0,8 V à 5 V à l'aide d'un diviseur de résistance de VOUT1 à FB1 vers la terre.
L'ISL78263 nécessite une tension d'entrée minimale de 5,65 V pour le démarrage. Le régulateur de surtension canal 2 dispose d'une plage d'entrée de 2,1 V à 42 V tandis que le convertisseur Buck canal 1 dispose d'une plage d'entrée de 3,5 V à 42 V
L'abaissement ISL78263 fonctionne en mode d'économie d'énergie (ECM) pour fournir un mode à faible IQ en réduisant la consommation de courant de repos à 6 µA standard lorsqu'aucune charge externe n'est appliquée. La fréquence de commutation est programmable sur la plage de 0,2 MHz à 2,2 MHz et peut être synchronisée avec une horloge externe à l'aide de la broche SYNC. Le fonctionnement à spectre étalé optionnel permet de réduire les niveaux EMI et de bruit.
Le contrôleur Buck et Boost pour démarrage à froid ISL78263 de Renesas Electronics est homologué AEC-Q100 classe 1 et est spécifié pour fonctionner sur une plage de température ambiante de -40 °C à +125 °C. Ce composant est disponible en boîtier WFQFN (Quad Flat No-Lead) à flanc mouillable de 5 mm x 5 mm. Les caractéristiques de l'ISL78263 le rendent idéal comme régulateur frontal pour les systèmes automobiles qui doivent maintenir un fonctionnement toujours actif et prendre en charge les transitoires de démarrage à froid sévères.
Caractéristiques
- Plage de fonctionnement de 2,1 à 42 VIN
- Faible courant de repos, 6 µA standard, canal Buck
- Fréquence de commutation de 200 kHz à 2,2 MHz
- Fréquence d'amplification d'1 ou 0,2 fois la fréquence Buck
- Mode de perte de niveau (Buck) pour une exploitation à rapport cyclique élevé
- Temps d'allumage de 25 ns pour un fonctionnement à faible rapport cyclique
- Synchronisation externe
- Horloge à spectre étalé programmable
- Pilotes MOSFET source 2 A/dissipateur 3 A
- UV de démarrage et heure de mise à jour du démarrage programmable
- Mécanismes de protection étendus pour OV/UV/OC/OT
- Température de fonctionnement de -40 °C à +125 °C
- Boîtier WFQFN32 de 5 mm x 5 mm
- Homologué AEC-Q100 classe 1
- Conforme à la directive RoHS
Applications
- Applications alimentées par batterie automobile
- Systèmes protégés de démarrage-arrêt, tels que les unités de tête, les grappes et les rétroviseurs électroniques
- Systèmes en habitacle
- Système d'aide à la conduite (ADAS)
Options de configuration
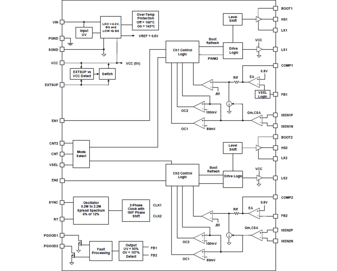
Schéma fonctionnel
Circuit d’application standard
Circuit d'application du système IVI
Profil de boîtier
