Renesas Electronics CI de gestion d’alimentation de caméra automobile ISL78083
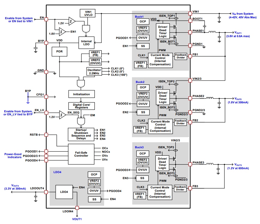
L’IC de gestion d’alimentation de caméra automobile ISL78083 de Renesas est un CI d’alimentation multirail polyvalent. Il dispose d’un régulateur buck synchrone primaire à haute tension, de deux régulateurs buck synchrones basse tension secondaires et d’un régulateur LDO. Il offre également quatre moniteurs de surtension et de sous-tension, trois indicateurs de bonne alimentation et un indicateur de sortie/défaillance de réinitialisation. Pour limiter les défaillances de cause commune, le ISL78083 inclut également une deuxième référence pour les moniteurs OV/UV, indépendamment de la référence des régulateurs.Caractéristiques
- plage de fonctionnement VIN de 4,0 V à 42 V avec une plage de démarrage de 4,5 V à 42 V
- Fréquence de commutation fixe de 2,2 MHz avec spectre étalé pseudo-aléatoire optionnel
- Trois régulateurs abaisseurs synchrones avec compensation interne et un LDO
- Plage de sortie Buck1 de 3,3 V à 5,05 V
- Plage de sortie Buck2 de 1,0 V à 3,3 V
- Plage de sortie Buck3 de 1,0 V à 3,3 V
- Plage de sortie LDO4 de 2,8 V à 3,4 V
- Seuils UV/OV de sortie, OTP de ±4 %, ±6 %, ±8 %, ±12 %
- Séquence de mise sous tension/hors tension OTP et retard
- Décharge de sortie optionnelle sur Buck2, Buck3 et LDO4
- Courant à l’entrée VIN sous l’arrêt de < 1 A standard
- Caractéristiques de protection
- UVLO de tension d'entrée
- OV/UV de sortie
- Limites de courant positives et négatives sur les convertisseurs Buck
- Protection contre les surintensités sur les LDO internes et de sortie
- Contrôleur de sécurité
- CRC des registres OTP
- Réponse aux défauts de verrouillage OTP et hoquet
Applications
- Caméras automobiles HD à vue arrière et panoramique
- Caméras de surveillance des pilotes
- Caméra HD de tableau de bord
Schéma fonctionnel
PMIC automobile ISL78083
Publié le: 2020-01-14
| Mis à jour le: 2024-04-15
