Renesas Electronics Tampon de sortance 8P34S2106A
Le tampon de sortance 8P34S2106A de Renesas Electronics est un tampon de sortance 1,8V/2,5 à double sortie LVDS 1:6 différentielles haute performance, faible puissance. Ce tampon est conçu pour la sortance de signaux de données et d'horloge haute fréquence et à très faible bruit de phase additive. Le tampon 8P34S2106A prend en charge l'exploitation à sécurité intégrée et dispose de deux canaux tampon indépendants constitué de six sorties à faible déviation. Ce tampon 8P34S2106A dispose également d'un isolement élevé entre canaux, d'une fréquence d'horloge de 2 GHz et correspond à des caractéristiques CA sur les deux canaux. Le tampon d'horloge 8P34S2106A est idéal pour les commutateurs/routeurs, l’imagerie médicale, l'audio-vidéo professionnelle, 4,5 G et 5 G RU et DU.Caractéristiques
- Doubles tampons de sortance LVDS 1:6 à faible déviation et faible vacillement additif
- Caractéristiques CA assorties entre les deux canaux
- Isolement élevé entre les canaux
- Faible consommation électrique
- Les entrées différentielles CLKA, nCLKA et CLKB, nCLKB acceptent des niveaux LVDS, LVPECL et LVCMOS asymétriques
Caractéristiques techniques
- Fréquence maximale de l'horloge d'entrée de 2 GHz
- Amplitude de sortie : 350 mV, 500 mV et désactivation (sélectionnable)
- Déviation de banc de sortie standard de 10ps
- Dérive de sortie 212 ps standard
- Faible gigue de phase additive 45 fs standard (fREF = 156,25 MHz, 12 kHz à 20 MHz), RMS
- Plage de tension d'alimentation de 1,8 V et 2,5 V
- Consommation de courant du composant (IDD) :
- 210 mA standard : 1,8 V
- 230 mA standard : 2,5 V
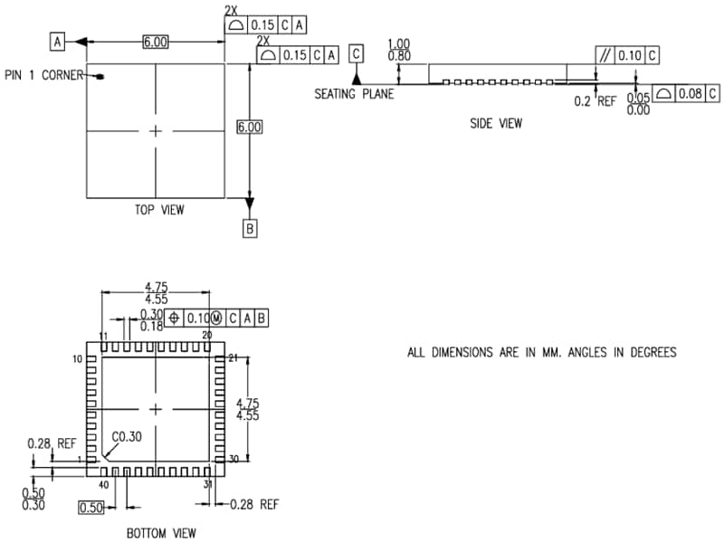
- Boîtier 40-VFQFPN, 6 mm x 6 mm x 0,9 mm sans plomb (directive RoHS 6)
- Plage de températures de fonctionnement ambiante de -40 °C à 85 °C
- Prend en charge température du boîtier jusqu'à 105 °C
Applications
- 4,5 G et 5 G RU et DU
- Commutateurs/Routeurs
- Imagerie médicale
- Audio et vidéo professionnels
Schéma fonctionnel
Schéma des dimensions
Ressources supplémentaires
- Perles de ferrite recommandées - AN-805
- Pertinence de l’application de la gigue d’horloge - AN-827
- Terminaison - Récepteurs d’horloge de couplage CA - AN-844
- Terminaison - LVDS - AN-846
- Considérations thermiques dans la conception et la sélection du boîtier - AN-842
- Caractéristiques de gigue pour les signaux de synchronisation - AN-840
- Prévention de l’auto-oscillation d’entrée différentielle - AN-833
- Recommandations de permutation à chaud - AN-834
- Entrée différentielle pour accepter des niveaux asymétriques - AN-836
- Comprendre les unités de gigue - AN-815
Publié le: 2023-04-25
| Mis à jour le: 2023-07-06
