RECOM Power RS3K-Z DC/DC Converters
RECOM Power RS3K-Z DC/DC Converters feature a wide 4:1 input voltage range from 9VDC to 36VDC and a 2:1 input voltage range from 4.5VDC to 9VDC, allowing application flexibility. The converters offer a high accuracy and load regulation rating for stable operation in challenging conditions. The RS3K-Z series provides an ON/OFF control for quick and easy power management and various protections, including undervoltage lockout (UVLO) and continuous short circuit protection (SCP). The converters are housed in a regulated compact SIP8 package with a UL 94V-0 flammability-rated construction. The RECOM Power RS3K-Z DC/DC Converters are ideal for versatile industrial applications, including automation, datacom, telecom, and test and measurement.Features
- Wide 4:1 or 2:1 input voltage ranges
- High efficiency
- Ensures stable operation in challenging conditions
- ON/OFF control
- Allows quick and easy power management
- Continuous SCP and UVLO protection
- Three-year warranty
- RoHS2/REACH compliant
Applications
- Industrial automation
- Building/home automation
- Datacom
- Telecom
- Test and measurement
Specifications
- 4.5VDC to 9VDC (2:1) or 9VDC to 36VDC (4:1) input voltage ranges
- 3.3VDC to 24VDC nominal output voltage range
- 63mA to 910mA max output current range
- 6mA max standby current rating
- 3W max output power rating
- 3kVDC/sec isolation rating
- 100kHz to 400kHz internal operating frequency
- 78% to 86% typical efficiency range
- 500µF to 5000μF max capacitive load
- -40°C to +105°C operating temperature range
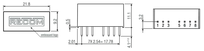
- 21.8mm x 9.2mm x 11.1mm dimensions
- UL 94V-0 flammability-rated construction
- IEC/EN/UL 62368-1 certification
Derating Graphs
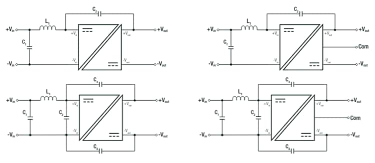
EMC Filtering Suggestions
Dimensions (mm)
Publié le: 2024-06-06
| Mis à jour le: 2024-06-20
