RECOM Power RPL-x-EVM-1 Evaluation Modules
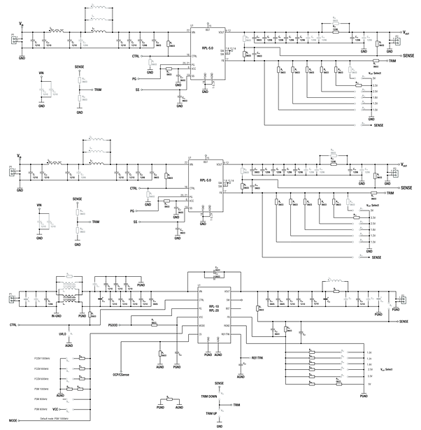
RECOM Power RPL-x-EVM-1 Evaluation Modules are ready-to-go evaluation platforms for the RPL-1.0, RPL-5.0, and RPL-10(20) Buck Regulator Modules. The evaluation modules evaluate output voltage selection from 1V to 12V, control, and sensing functions. The RPL-x-EVM-1 modules feature a class B EMI filter with thermal design considerations to optimize performance. The RECOM Power RPL-x-EVM-1 Evaluation Modules are ideal for industrial controllers, microprocessors, microcontrollers, and industrial Internet of Things (IoT).Features
- Evaluation platform for the RPL-1.0, RPL-5.0, and RPL-10(20) Buck Regulator Modules
- Thermal design considerations
- EMI Class B filter
- Evaluates output voltage selection, control, and sensing functions
- OCP and UVLO protections
Applications
- Industrial controllers
- Microprocessors
- Microcontrollers
- Industrial IoT
Specifications
- 2.75VDC to 22VDC input voltage range
- Output voltage pre-selects
- 1VDC, 1.2VDC, 1.8VDC, 2.5VDC, 3.3VDC, 5VDC, 12VDC
- 1000mA to 20,000mA max output current rating
- 600kHz to 1600kHz switching frequency
Datasheets
Schematics
Publié le: 2024-05-29
| Mis à jour le: 2024-05-30
