RECOM Power RBB10-2.0-EVM Evaluation Board
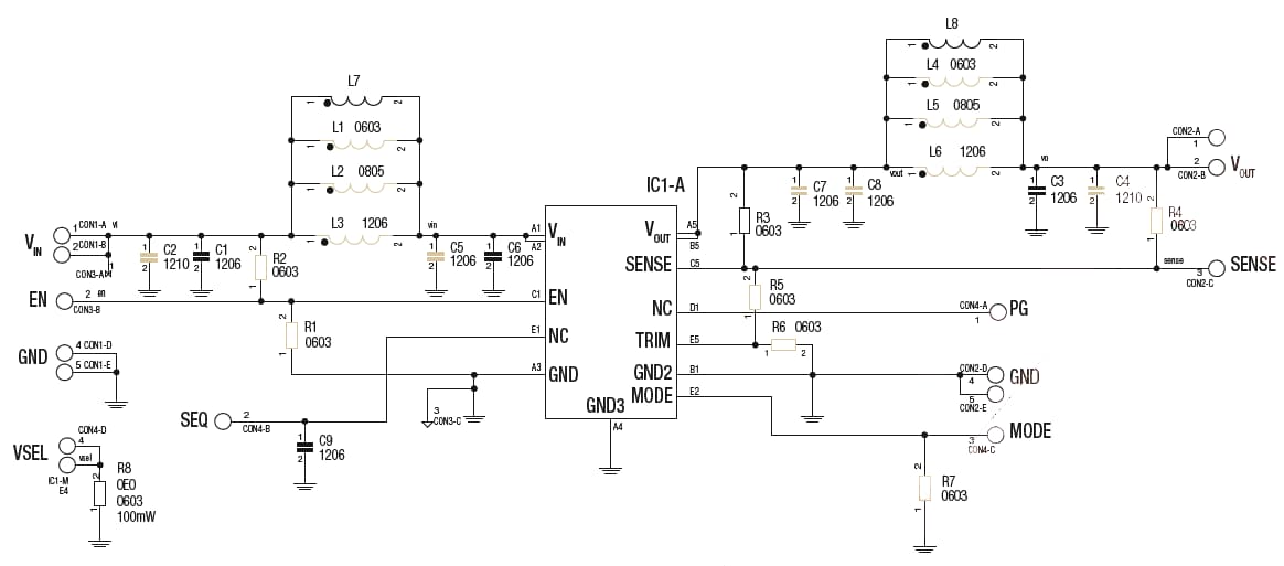
RECOM RBB10-2.0-EVM Evaluation Board is an evaluation platform for RBB10-2.0 buck/boost regulators. The RBB10-2.0 evaluation module generates a regulated output voltage with a current up to 4A from an external DC supply. This DC supply can be higher, lower, or the same as the set output voltage. The RBB10-2.0 evaluation board provides an output voltage that is preset to 3.3V or 5V but can be adjusted between 1V and 5.5V. This is done using onboard resistors. The RBB10-2.0 evaluation board features easy evaluation of modes, trimming, enable, and sensing function of the RBB10-2.0 modules. Typical applications that can be evaluated includes USB voltage converter/regenerator, battery stabilizer, and supercapacitor booster.Features
- Evaluation platform for RBB10-2.0 buck/boost regulators
- Input voltage lower, higher, or the same as the output voltage
- Class B EMC filter layout
- Built-in thermal management
- Easy evaluation of modes, trimming, enable, and sensing function of the RBB10 modules
Applications
- USB voltage converters/regulators
- Battery stabilizers
- Supercapacitor boosters
- Low voltage regulators with sense
Schematic
Publié le: 2018-10-10
| Mis à jour le: 2023-03-08
