Qorvo Commutateurs SPDT à large bande RFSW1012
Les commutateurs SPDT à large bande de Qorvo RFSW1012 sont des commutateurs unipolaires à double direction (SPDT) conçus pour les applications exigeant une très faible perte d’insertion et des performances robustes en matière de gestion de puissance. Fonctionnant sur de larges plages de fréquences (5 MHz à 6 000 MHz pour 50Ω 5 MHz à 2 500 MHz pour 75Ω), les commutateurs Qorvo RFSW1012 offrent des avantages RF clés tels qu’une perte d’insertion standard de 0,30 dB à 1 980 MHz, une isolation élevée de 37 dB à 2 GHz et une excellente linéarité avec un IP3 supérieur à 75 dBm.Cette conception élimine le besoin de condensateurs de blocage CC externes sur les chemins RF sauf si une tension CC est appliquée de manière externe, et elle intègre une classification DES HBM nominale de 2 000 V pour une durabilité améliorée. Ces commutateurs sont bien adaptés pour les applications de commutation RF à usage général, de routage post-PA, de SATV, de CATV, de CDMA, de WCDMA et de LTE. Conditionné dans un boîtier QFN compact 2 mm × 2 mm × 0,55 mm à 12broches, le RFSW1012 est idéal pour les conceptions à espace restreint qui exigent des performances élevées et une grande polyvalence.
Caractéristiques
- Fonctionnement de 5 MHz à 6000 MHz
- Applications 50Ω ou 75Ω
- Faible perte d’insertion de 0,30 dB à 1 980 MHz
- Isolation élevée de 37 dB à 2 GHz
- IP3 élevé >75 dBm à 2 GHz
- Compatible avec la logique basse tension (VHIGH minimum = 1,3 V)
- Aucun condensateur de blocage CC externe requis sur les chemins RF à moins que le CC ne soit appliqué de manière externe
- DES HBM nominale de 2 000 V sur tous les ports
- >100 dBc CTB/CSO (41 dBmV/ch., 137 canaux)
- Boîtier QFN sans plomb 2 mm x 2 mm à 12 broches
Applications
- LTE, WCDMA et GSM
- CATV et SATV
- Commutation après PA
- Commutation à usage général
Caractéristiques techniques
- Systèmes 50 Ω
- Gamme de fréquences de fonctionnement de 5 MHz à 6 000 MHz
- Plage de perte d’insertion standard de 0,25 dB à 0,45 dB
- Plage d’isolation RFC-RFX standard de 21 dB à 45 dB
- Plage d’isolation RF1-RF2 standard de 21 dB à 42 dB
- Perte de retour standard à l’état passant>15 dB
- Entrée IP3 standard de 75 dBm
- Entrée IP2 standard de 129 dBm
- Plage de fonctionnement maximale des broches de 30 dBm à 36 dBm avec une charge de 50Ω
- P0.1dB minimum de 41 dBm à >100 MHz
- Harmoniques maximales de deuxième et troisième ordre -75dBc
- Plage de sortie parasite standard <-105 dbm="" à="">-105><-100>-100>
- Plage de puissance d’entrée maximale de 34 dBm à 36 dBm
- Plage de tension du dispositif de 2,7 V à 4,6 V
- Plage de courant de fuite maximale de 20 µA à 200 µA
- Plage de tension de commande maximale de 0,45 V à 2,7 V
- Plage de courant de commande maximale de 3 µA à 5 µA
- Vitesse de commutation maximale de 5 µs
- Systèmes 75 Ω
- Gamme de fréquences de fonctionnement de 5 MHz à 2 500 MHz
- Plage de perte d’insertion standard 0,15 dB à 0,45 dB
- Plage d’isolation RFC-RFX standard de 26 dB à 70 dB
- Plage d’isolation RF1-RF2 standard de 32 dB à >70 dB
- Plage de perte de retour standard à l’état passant comprise entre >13 dB et >15 dB
- CSO standard >100 dBc (41 dBmV/ch, 137 canaux)
- CTB standard >100 dBc (41 dBmV/ch, 137 canaux)
- XMOD standard >90 dBc (41 dBmV/ch, 137 canaux)
- Plage de puissance d’entrée maximale de fonctionnement de 30 dBm à 36 dBm avec une charge de 75Ω
- Plage de température de fonctionnement du boîtier de -40 °C à +90 °C
- Température maximale de jonction en fonctionnement de +125 °C
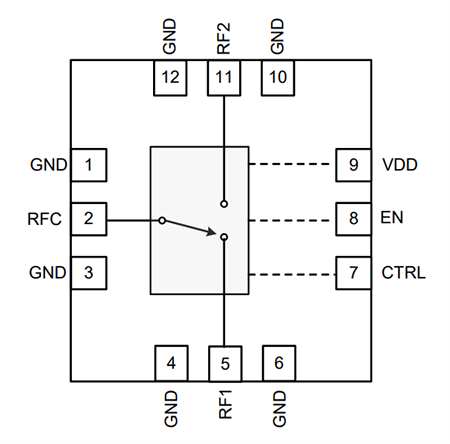
Schéma fonctionnel
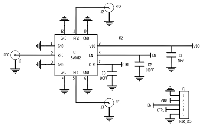
Schéma du circuit d’application
Publié le: 2026-01-19
| Mis à jour le: 2026-01-26
