Qorvo Carte d'évaluation QPC7337PCBA
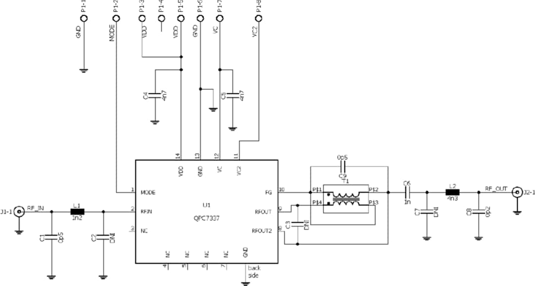
La carte d'évaluation QPC7337PCBA de Qorvo est une plateforme de démonstration et de développement pour l'égaliseur variable en tension QPC7337. Le QPC7337 est optimisé pour les applications d'ESD DOCSIS 4.0 de voie en aval entre 284 MHz et 1794 MHz. Le QPC7332 se caractérise par sa plage à pente de 17 dB, une faible perte d'insertion, une haute linéarité et une impédance de 75 Ω adaptée aux applications de télévision câblée (CATV). Ce composant fonctionne à partir d'une tension d'alimentation unique de 5 V et d'un courant de 3 mA.La carte d'évaluation QPC7337PCBA de Qorvo est dotée d'un composant QPC7337 en boîtier multipuce MCM (Multi-Chip Module) compact à 14 broches pré-monté sur la carte, ainsi que de circuits annexes et de deux connecteurs de type F 75 Ω pour l'entrée RF et la sortie RF. Cette carte d'évaluation fournit un exemple de circuit d'application facile à incorporer dans des conceptions existantes pour permettre de réaliser rapidement des prototypes.
Schéma
Publié le: 2021-08-18
| Mis à jour le: 2022-03-11
