Qorvo Outil de développement RF QPC7335
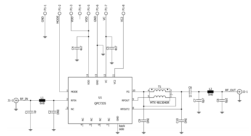
L'outil de développement RF QPC7335 de Qorvo est conçu pour évaluer les égaliseurs variables QPC7335 qui fonctionnent sur une bande passante de fréquence 45 MHz à 1 002 MHz. Ces égaliseurs BLUETOOTH low Power de Qorvo offrent un 18 dB SLUETOOTH et une faible perte d'insertion.Schéma
Publié le: 2020-05-11
| Mis à jour le: 2024-08-21
