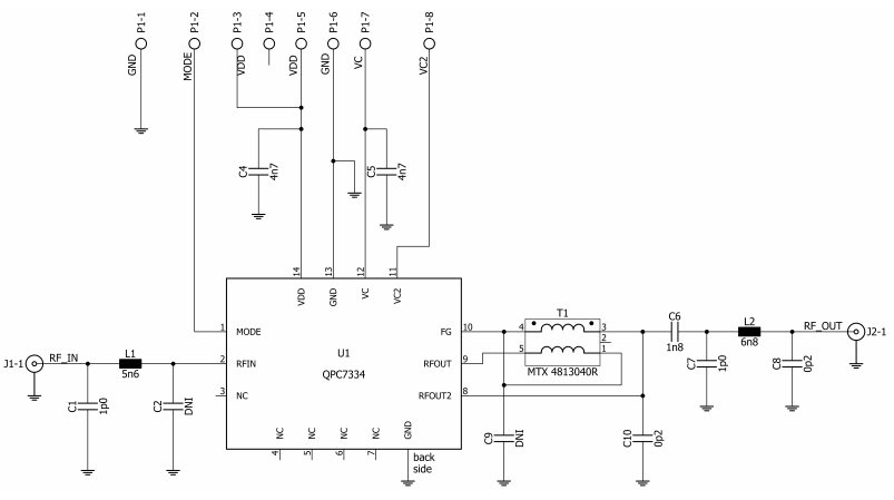
Qorvo Outil de développement RF QPC7334
L'outil de développement RF QPC7334 de Qorvo est conçu pour évaluer les égaliseurs variables QPC7334 fonctionnant dans la bande passante de fréquence 5 MHz à 684 MHz. Ces égaliseurs BLUETOOTH low Power et OF 16 dB SLUETOOTH et de Qorvo à faible perte d'insertion.Schéma
Publié le: 2020-05-08
| Mis à jour le: 2024-08-20
