Qorvo Commutateur SPDT 10 W pour bande X au GaN QPC2040
Le commutateur SPDT 10 W pour bande X au GaN (nitrure de gallium) QPC2040 de Qorvo est un commutateur unipolaire bidirectionnel (SPDT) produit à l'aide d'un procédé de fabrication 0,15 µm QGaN15 propriétaire au GaN sur carbure de silicium (SiC). Fonctionnant entre 8 GHz et 12 GHz, le QPC2040 supporte en standard une puissance d'entrée de 10 W avec des tensions de commande de 0 V et -28 V en mode RF pulsée. Ce commutateur conserve une faible perte d'insertion, inférieure à 1,2 dB, et un isolement supérieur à 30 dB, ce qui le rend idéal pour les applications de commutation de puissance des plateformes militaires et commerciales.Le commutateur SPDT pour bande X 10 W au GaN QPC2040 de Qorvo est proposé dans un boîtier QFN (Quad Flat No-Lead) plastique 3,0 mm x 4,5 mm surmoulé, et est conforme à la directive RoHS.
Caractéristiques
- Plage de fréquence : de 8 GHz à 12 GHz
- Puissance d'entrée : 10 W
- Perte d'insertion : 1,2 dB
- Isolation : 30 dB (standard)
- Puissance d'entrée RF
- 44,5 dBm (avec PW = 100 μ, CC = 25 %, 50 Ω, TBASE = 85 °C)
- 43,0 dBm (avec PW = 100 μ, CC = 25 %, VSWR 3:1, TBASE = 85 °C)
- Vitesse de commutation : 35 ns
- Tensions de commande : 0 V, -28 V
- Puissance dissipée : 75 W
- Plage de température de fonctionnement : de -40 °C à +85 °C
- Plage de températures exceptionnelles : de -55 °C à +150 °C
- Boîtier QFN de 3,0 mm x 4,5 mm x 1,05 mm
- Sans halogènes, sans plomb et conforme à la directive RoHS
Applications
- Radars commerciaux et militaires
- Communications
- Guerre électronique
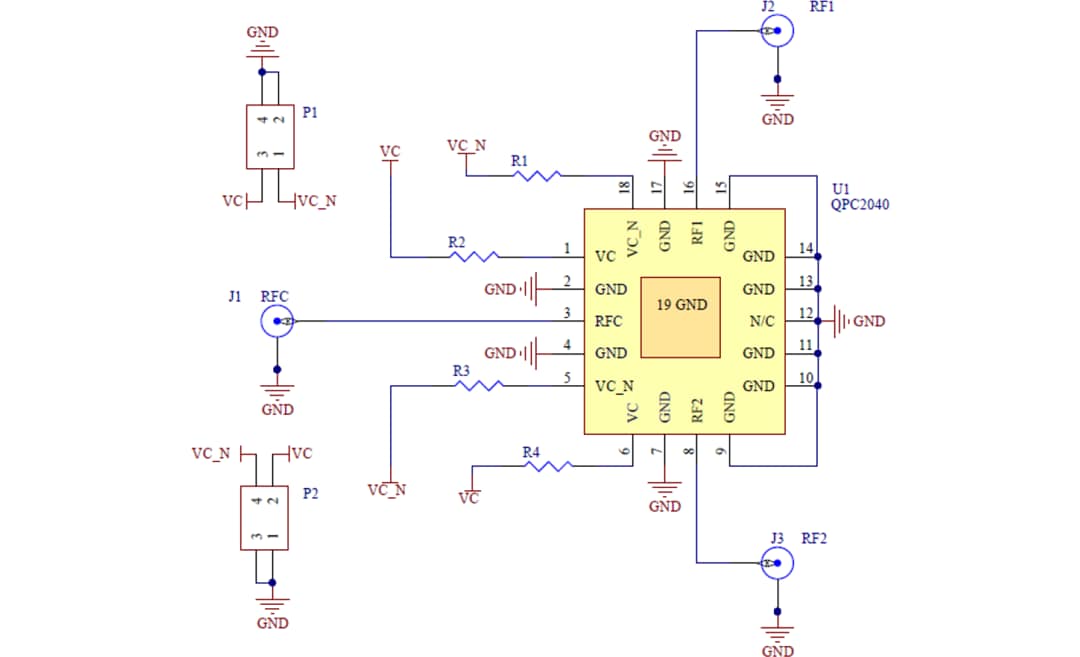
Schéma de principe
Circuit d'application standard
Publié le: 2021-12-06
| Mis à jour le: 2022-03-11
