Qorvo VGA Rx à canal double de 1,7 GHz à 2,7 GHz QPB9351
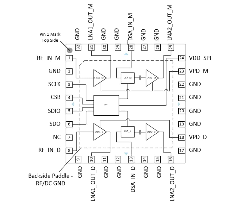
Les VGA Rx à canal double de 1,7 GHz à 2,7 GHz QPB9351 de Qorvo sont développés pour les récepteurs de stations de base macro à haute performance. Le module frontal Rx hautement intégré combine des amplificateurs à faible bruit (LNA) de premier étage à haute performance, des atténuateurs à gradins numériques (DSA) et un LNA de deuxième étage dans une configuration à canal double. Le SiP VGA Rx (système d'amplificateur à gain variable pour récepteurs en boîtier) offre une capacité de mise hors tension des amplificateurs, qui peut être contrôlée via des broches d'arrêt dédiées pour chaque canal. Le LNA utilise le processus E-pHEMT haute performance de Qorvo pour fournir un facteur de bruit de 0,4 dB pour le LNA de premier étage. Le contrôle de gain est mis en œuvre via une plage DSA de 31 dB par pas de 1 dB.Le QPB9351 est disponible dans un boîtier compact sans plomb à 32 broches de 5 mm x 5 mm, monté en surface et conforme à la directive RoHS.
Caractéristiques
- Gamme de fréquences de 1,7 GHz à 2,7 GHz
- Intègre les LNA, DSA
- Configuration à canal double
- Capacité d'arrêt intégrée
- LNA1 à 0,4 dB NF, gain de 16,5 dB, OIP3 de 38 dBm
- Plage de contrôle du gain de 31 dB, pas de 1 dB
- Tension d'alimentation +5 V
- Interface de contrôle SPI
- Logique +1,8 V
Applications
- Infrastructure sans fil
- Récepteurs diversifiés
- Systèmes de duplexage par répartition dans le temps (TDD) ou en fréquence (FDD)
Schéma fonctionnel
Publié le: 2024-05-31
| Mis à jour le: 2024-06-07
