Qorvo DVGA Rx à canal double de 0,4 GHz à 1,0 GHz QPB9350
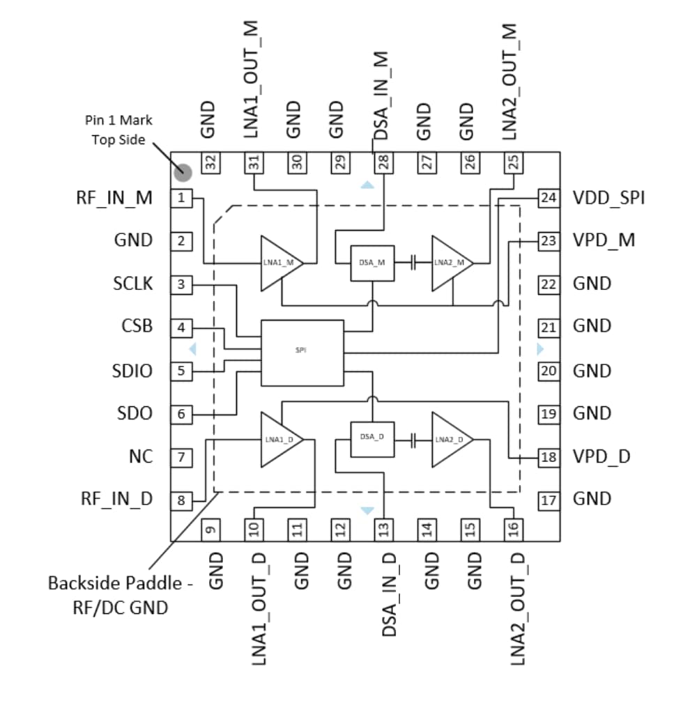
Les DVGA Rx à canal double de 0,4 GHz à 1,0 GHz QPB9350 de Qorvo sont conçus pour les récepteurs de stations de base macro à haute performance. Les modules frontaux Rx QPB9350 hautement intégrés combinent des amplificateurs à faible bruit (LNA) de premier étage à haute performance, des atténuateurs à gradins numériques (DSA) et un LNA de deuxième étage dans une configuration à canal double. La capacité de mise hors tension des amplificateurs peut être contrôlée par des broches d'arrêt dédiées pour chaque canal. Le LNA utilise le processus E-pHEMT efficace de Qorvo pour offrir un facteur de bruit de 0,4 dB pour le LNA de premier étage. Le contrôle de gain est facilité via une plage DSA de 31 dB par pas de 1 dB.Le QPB9350 de Qorvo est logé dans un boîtier compact sans plomb à 32 broches de 5 mm x 5 mm, monté en surface et conforme à la directive RoHS.
Caractéristiques
- Gamme de fréquences de 0,4 GHz à 1,0 GHz
- Intègre les LNA, DSA
- Configuration à canal double
- Capacité d'arrêt intégrée
- LNA1 à 0,4 dB NF, gain de 23 dB, OIP3 de 37 dBm
- Plage de contrôle du gain de 31 dB, pas de 1 dB
- Tension d'alimentation +5 V
- Interface de contrôle SPI
- Compatible logique +1,8 V
Applications
- Infrastructure sans fil
- Récepteurs diversifiés
- Systèmes de duplexage par répartition dans le temps (TDD) ou en fréquence (FDD)
Caractéristiques techniques
- Température de stockage de -55 °C à 150 °C
- Puissance d'entrée RF de +20 dBm, CW, 50 Ω, T=25 °C
- Tension d'alimentation inverse de -0,3 V
Schéma fonctionnel
Publié le: 2024-05-26
| Mis à jour le: 2024-06-07
