Qorvo CI de gestion d'alimentation (PMIC) PLP ACT85610
Le CI de gestion d'alimentation (PMIC) ACT85610 de Qorvo est une unité de gestion de l'alimentation à sorties multiples hautement intégrée et hautement configurable avec protection intégrée contre la perte de puissance (PLP). L'ACT85610 de Qorvo comprend quatre Buck à haute efficacité qui peuvent fournir un courant de 3 x 4 A et 1 x 2 A, avec une sortie pouvant descendre à 0,6 V. Un régulateur de surtension avec sortie de 12 V et un Buck à sortie fixe fournissent la puissance du CI lui-même et l'alimentation des commandes de grilles dans les régulateurs pour une efficacité maximale.La fonction de protection contre les coupures de courant fournit une tension d'alimentation de secours en cas de coupure du courant en entrée. Un convertisseur Boost intégré fournit un stockage d'énergie à haute tension pour minimiser les exigences de taille de condensateur de stockage. Le convertisseur Buck de complément intégré régule la tension de stockage vers une tension de sortie fixe. Il contient des FET eFuse internes dos-à-dos pour fournir une isolation d'entrée-sortie bidirectionnelle. L'ACT85610 fournit également un contrôle de courant d'appel permutable à chaud.
Le PMIC ACT85610 de Qorvo est proposé en boîtier QFN (Quad Flat No-leads) de 6 mm2 et est sans plomb, sans halogène et conforme à la directive RoHS.
Caractéristiques
- Protection haute performance contre la perte de puissance
- Plage d'entrée de fonctionnement de 2,7 V à 14 V avec protection contre les surtensions de 14,4 V
- Tension de tenue d'entrée maximale de 20 V
- Vitesse de balayage de démarrage réglable
- Contrôle du courant d'appel
- Niveaux de panne de courant configurables
- Limite de courant d'entrée programmable 10 A
- Tension de stockage Boost programmable de 5,5 V à 31 V
- Le Buck synchrone de 31 V à 8 A prend en charge un rapport cyclique de 100 %
- Fréquence de fonctionnement Buck programmable jusqu'à 2,25 MHz pour une petite taille d'inductance
- Transition indécelable de l'alimentation d'entrée à la puissance du banc de condensateurs
- Compatible avec différents types de condensateurs de stockage, notamment les supercondensateurs, électrolytiques, au tantale et POSCAP
- Surveillance autonome de l'état
- Détection précoce de la défaillance de condensateurs de stockage
- Mesure de capacité de stockage
- PMIC à haute efficacité avec FET intégrés
- Quatre convertisseurs Buck CC-CC haute tension
- Étage de puissance synchrone intégré
- Jusqu'à 96 % de rendement
- Conversion à un seul étage optimisée à partir de 12 V pour les sorties aussi basses que 6 V
- Excellente réponse dynamique
- Algorithme de contrôle COT propriétaire
- Petites tailles d'inducteur
- Réponse transitoire rapide
- 1 Boost non synchrone à haute tension
- 1 LDO avec tension de sortie programmable
- Plage de fréquence configurable de 500 kHz à 2,0 MHz
- Fréquence quasi constante
- Protection contre les surintensités (OCP) sans capteur
- Détection de sous-tension (UV) et de surtension (OV) en sortie
- Condensateur céramique stable
- Interface et contrôle de système
- Broche d'indicateur de perte de puissance (PLI) dédiée
- Six E/S à usage général programmables
- Interface série I2C et protection par mot de passe
- Surveillance CAN des signaux critiques
- Séquençage marche/arrêt indépendant
- Sortie de validation de puissance/réinitialisation
- Rails configurables marche/arrêt via I2C/broches GPIO
- Surveillance de la puissance d'entrée, de la sous-tension et de la surtension
- Interruptions configurables pour informer l'hôte de tout défaut/changement d'état
- Régulation et protection thermique
- Gestion de système
- Fonctions polyvalentes de broches GPIO
- Surveillance Watchdog
- Fonction d'interruption disponible
- Bits de sécurité I2C pour améliorer l'immunité contre les parasites I2C
- Caractéristiques physiques
- Température de fonctionnement de jonction de -40 °C à +150 °C
- Résistance thermique de jonction à la température ambiante 35 °C/W
- Boîtier FCQFN-52 amélioré thermiquement
- Dimensions du boîtier de 6 mm x 6 mm
Applications
- Disques statiques à semiconducteurs (SSD)
- Alimentation de secours
- Dispositifs à branchement à chaud
- Applications industrielles
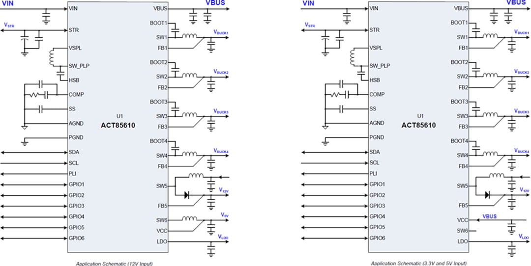
Schémas d'application
Schéma fonctionnel
