Qorvo Kit d'évaluation ACT81460EVK1
Le Kit d'évaluation ACT81460EVK1 de Qorvo est conçu pour évaluer le CI de gestion d'alimentation ACT81460VM101. Le kit d'évaluation offre un accès complet aux signaux d'entrée, de tension de sortie et de contrôle numérique de chaque convertisseur. Ces caractéristiques de conception permettent au kit d'évaluation d'être configuré pour correspondre à un système réel. La carte d'évaluation ACT81460EVK1 peut être utilisée comme carte autonome si nécessaire.Équipement nécessaire
- Clé électronique USB-vers-I2C
- 5 V à 4 A pour un fonctionnement à pleine puissance
- Oscilloscope > 100 MHz > 2 canaux
- Charges électroniques ou résistives avec une capacité de courant minimale de 1 A
- Multimètres numériques (DMM)
- Ordinateur compatible avec Windows avec un port USB libre
Configuration du Kit d'évaluation
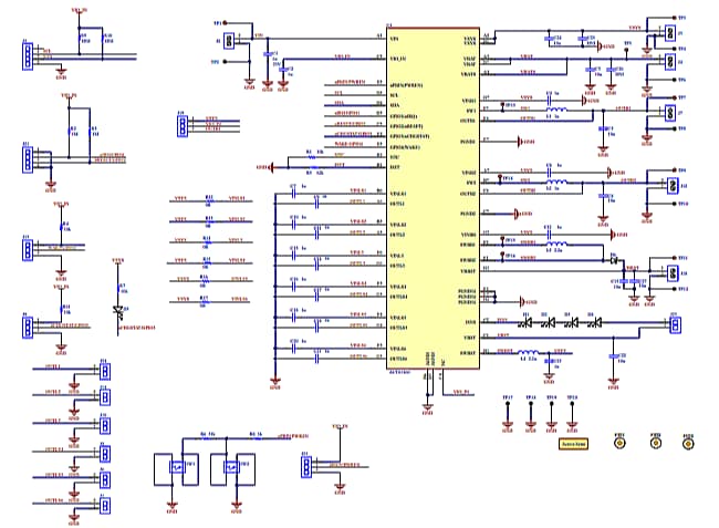
Schéma de principe
Publié le: 2020-03-12
| Mis à jour le: 2024-08-19
