Pulse Electronics Transformateurs ESS renforcés sans halogène HXE20xHL
Les transformateurs ESS renforcés sans halogène de Pulse Electronics HXE20xHL prennent en charge les composants silicium des principaux fournisseurs pour les systèmes de gestion de batterie (BMS) et les solutions de stockage d'énergie (ESS). Les transformateurs offrent une sélection de tensions de fonctionnement et de tension de rupture, ainsi qu'une large plage de températures de fonctionnement allant de -40°C à +125°C. Ces transformateurs HXE20xHL disposent d’un processus de production et d’enroulement automatisé pour une grande fiabilité et une conformité UL aux normes IEC/UL 62368-1. Les transformateurs Pulse Electronics HXE20xHL sont adaptés aux systèmes de stockage d’énergie et au transport maritime ou aérien.Caractéristiques
- Adaptés aux BMS et ESS des principaux fabricants
- Sélection des tensions de fonctionnement et de claquage
- Enroulement automatisé et processus produit
- Haute fiabilité
Applications
- ESS
- Transport maritime
- Transport aérien
Caractéristiques techniques
- Inductance nominale 150 μH
- Tension de fonctionnement de 500 VCCà 1 500 VCC
- Résistance d’isolation de 400 MΩ
- Espace d’isolation >6,35 mm ou >8,0 mm
- Plage de température de fonctionnement de -40 °C à +125 °C
- Conformité UL IEC/UL 62368-1
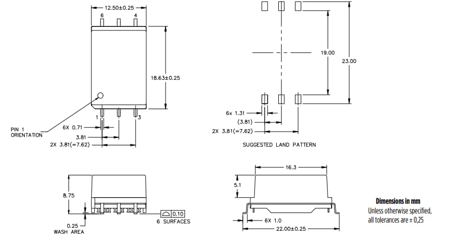
Dimensions
Publié le: 2024-05-03
| Mis à jour le: 2024-05-21
