onsemi Contrôleur de sortie NCP81535 à huit phases + une phase
Le contrôleur de sortie NCP81535 à huit phases + une phase d’onsemi est une solution Buck à double rail optimisée pour les processeurs IMVP9.2 d’Intel. Le système de contrôle de rail multiphase combine une modulation de largeur d’impulsion (MLI) à double front avec une détection de courant de résistance à courant direct (DCR). Cette combinaison offre une réponse initiale ultra-rapide aux événements de charge dynamique et réduit le coût du système. Le NCP81535 d’onsemi est doté d’un amplificateur de surveillance de courant de décalage ultra-faible avec une compensation de décalage programmable pour une surveillance de courant de haute précision.Caractéristiques
- Plage VIN de 4,5 V à 21 V
- Démarrage en charges préchargées tout en évitant les fausses OVP
- Rampe numérique à démarrage progressif
- Vboot réglable
- Amplificateur de tension de sortie différentiel à haute impédance
- Prend en charge la table VID double compatible avec IMVP9.2
- Prend en charge les extensions à fort courant
- Injection de référence dynamique
- Vitesses de balayage de la tension de sortie programmable
- Alimentation dynamique VID directe
- Amplificateurs de détection de courant différentiel pour chaque phase
- Positionnement de la tension programmable et adaptatif (AVP)
- Plage de fréquence de commutation réglable
- Fréquence de commutation stabilisée numériquement
- Exploitation ultrasonore
- Prend en charge la fonction d’atténuation du bruit acoustique
- Moniteur d’entrée PSYS (adresse SVID 0D)
- Prend en charge l’entrée VCCIN_AUX IMON
- Respect des caractéristiques techniques IMVP9.2 d’Intel
- Modulation à double front en mode courant pour une réponse initiale rapide à la charge transitoire
- Dispositif sans plomb
Applications
- Informatique à haute performance (HPC)
- Ordinateurs de jeu pour passionnés de PC
- Ordinateurs portables et ultraportables
- Équipements pour entreprises et centres de données
- Systèmes intégrés
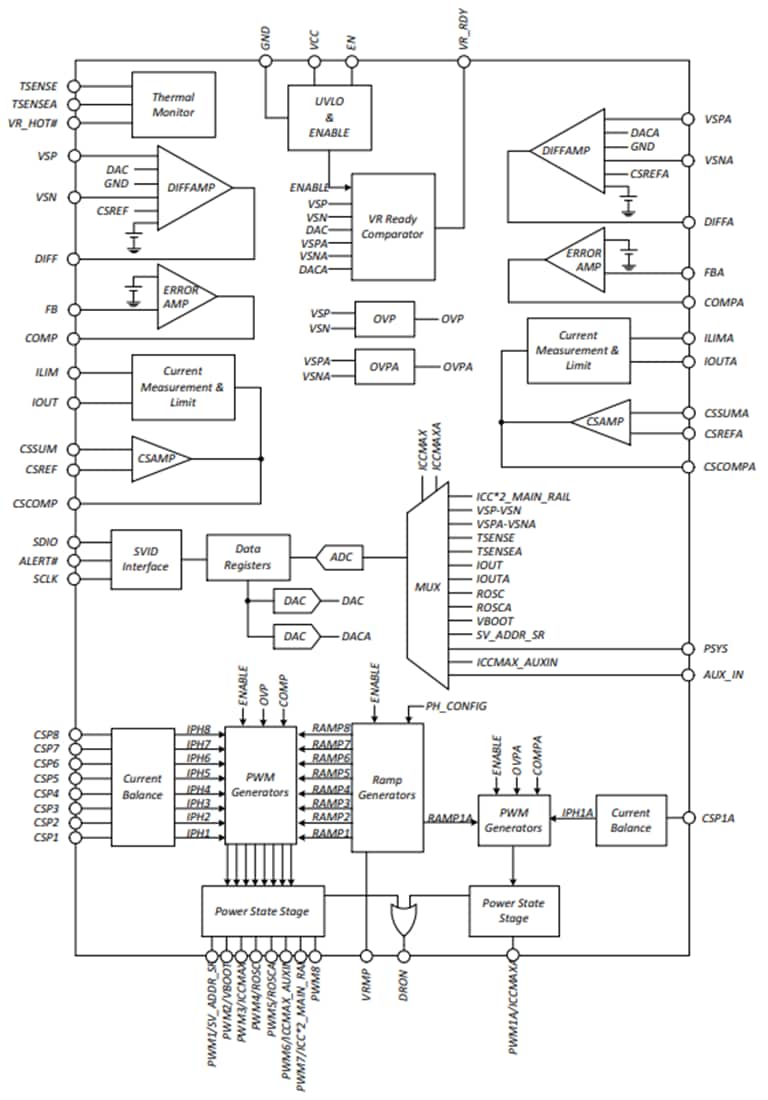
Schéma fonctionnel interne
Publié le: 2025-05-20
| Mis à jour le: 2025-06-19
