Phoenix Contact PSR-MC38 Safety Relays
Les relais de sécurité PSR-MC38 de Phoenix Contact sont des relais de sécurité pour les arrêts d'urgence, les portes de sécurité et les barrières immatérielles jusqu'à SILCL 3, Cat. 4 et PLe. Ces relais de sécurité disposent d'un fonctionnement à un ou deux canaux et d'un démarrage automatique ou manuel surveillé, de deux chemins de courant d'activation et d'une sortie de signal. Les relais PSR-MC38 de Phoenix Contact sont équipés d'une interface TBUS pour connecter les démarreurs hybrides CONTACTRON Pro et les alimentations MINI POWER.Caractéristiques
- Fonctionnement à un ou deux canaux
- Démarrage automatique, manuel ou surveillé
- Deux circuits d'activation
- Une sortie de signal
- Interface TBUS pour connecter les démarreurs hybrides CONTACTRON Pro et les alimentations MINI POWER
- Jusqu'à Cat. 4/PLe selon ISO 13849-1, SILCL 3 selon CEI 62061, SIL 3 selon CEI 61508
Applications
- Arrêt d'urgence
- Surveillance des portes de sécurité
- Évaluation des barrières immatérielles
Caractéristiques techniques
- Tension d'alimentation du circuit de commande : 24 VCC
- Plage de température de fonctionnement de -20 °C à +55 °C
- Tension d'alimentation de commande 75 mA (typique)
- Consommation électrique 1,8 W (typique)
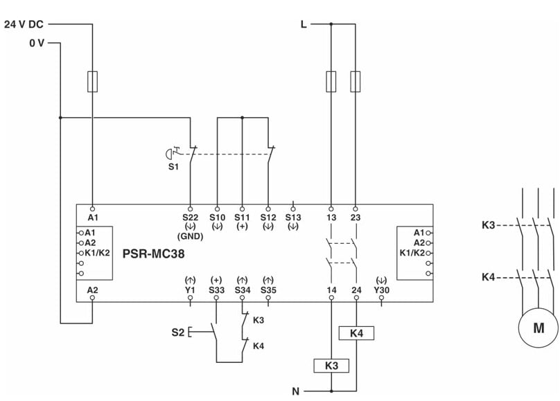
Circuit Diagram
Publié le: 2019-12-04
| Mis à jour le: 2025-10-07
