Panasonic Industrial Devices Pilotes de MOSFET photovoltaïques de type APV à haute puissance
Les pilotes de MOSFET photovoltaïques de type APV à haute puissance de Panasonic offrent un fonctionnement à haut débit et une faible résistance à l’état passant dans un boîtier SSOP miniature à montage en surface. Fonctionnant dans une plage de température de - 40 °C à + 85 °C, les composants disposent également d’une tension d’isolation E/S de 1 500 Vrms, d’une capacité E/S standard de 0,8 pF et d’une résistance d’isolation E/S initiale de 1 000 MΩ à 500 VCC. Les pilotes MOSFET photovoltaïques APV de Panasonic sont idéaux pour mesurer les équipements, les équipements de test, les machines industrielles, les équipements industriels, les centres de données et les alimentations FA.Caractéristiques
- Boîtier SSOP miniature à montage en surface
- Configuration de sortie 1 forme A
- Fonctionnement MOSFET haut débit (APV11GVY-courant de sortie élevé)
- Faible résistance au MOSFET (APV3111GVY-Tension de sortie élevée)
- Conforme à la directive RoHS
Applications
- Équipements de mesures
- Équipement de test
- Machines industrielles
- Équipement industriel
- Centre de données
- Source d’alimentation
Caractéristiques techniques
- Puissance nominale de sortie
- Tension de décrochage standard de 8,5 V ou 18 V
- Courants de court-circuit standard 45 µA ou 12 µA
- Entrée
- Courant direct LED 30 mA
- Tension inverse 5 V LED
- Courant de crête direct 1A
- Dissipation de puissance de 60 mW
- Tension d'isolement des E/S : 1500 Vrms
- Plages de température ambiante
- Fonctionnement : de -40 °C à +85 °C
- Température de stockage: de -40°C à +100°
- Capacité E/S standard de 0,8 pF
- Résistance d’isolation E/S initiale de 1 000 MΩ à 500 VCC
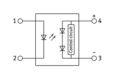
Schéma
Schéma de câblage
Publié le: 2021-04-15
| Mis à jour le: 2024-02-29
