ROHM Semiconductor Pilote de grille à 1 canal BM6GD11BFJ-LB

Le pilote de grille BM6GD11BFJ-LB à 1 canal de ROHM Semiconductor avec isolation intégrée est capable de piloter des HEMT GaN à des vitesses élevées. Ce pilote de grille dispose d'une tension d'isolation de 2 500 VRMS, d'un temps de retard entrée/sortie maximum de 60 ns et d'une largeur d'impulsion d'entrée minimale de 65 ns. Le pilote de grille BM6GD11BFJ-LB se compose d'une fonction de verrouillage sous tension (UVLO) sur le côté d'entrée (entre VCC1 et GND1) et le côté de sortie (entre VCC2 et GND2). Ce pilote de grille est disponible dans un boîtier SOP-JW8 avec des dimensions de 4,9 mm x 6 mm x 1,65 mm. Le pilote de grille BM6GD11BFJ-LB est utilisé dans les équipements industriels, lesmoteurs de grille HEMT GaN, les adaptateurs CA et les applications d'alimentation électrique de serveur.

Caractéristiques

  • Isolation galvanique intégrée
  • Fonction de verrouillage en sous-tension (UVLO)
  • Tension d'isolation de 2 500 VRMS
  • Temps de retard entrée/sortie maximum de 60 ns
  • Largeur d'impulsion d'entrée minimale de 65 ns

Applications

  • Équipement industriel
  • Moteurs de grille HEMT GaN
  • Adaptateurs CA
  • Alimentations électriques de serveur

Schéma de circuit d'application de base (pilote HEMT GaN côté haut)

Schéma du circuit d'application - ROHM Semiconductor Pilote de grille à 1 canal BM6GD11BFJ-LB

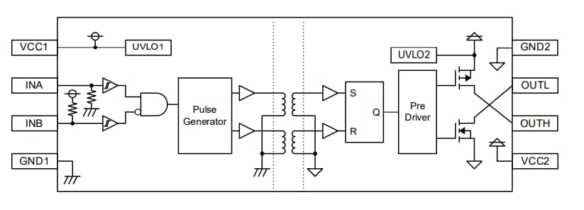
Schéma fonctionnel

Schéma de principe - ROHM Semiconductor Pilote de grille à 1 canal BM6GD11BFJ-LB
Publié le: 2025-05-15 | Mis à jour le: 2025-06-26